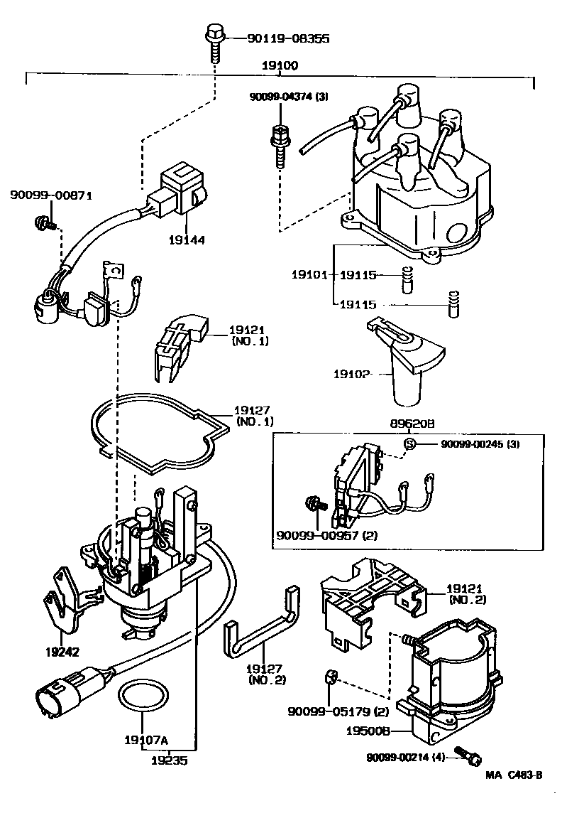
Toyota CELICA — DISTRIBUTOR

19107ARING, O, DISTRIBUTOR HOUSING
19115PIECE, DISTRIBUTOR CAP, CENTER
19121COVER, DUST PROOF
NO.2
NO.1
19127PACKING, DUST PROOF
NO.1
NO.2
19144LEAD, DISTRIBUTOR BREAKER
19235HOUSING, DISTRIBUTOR
19242CLAMP, CORD
89620BIGNITER ASSY
9009900214
main90099-00214
9009900245
main90099-00245
9009900871
main90099-00871
9009900957
main90099-00957
9009904374
main90099-04374
9009905179
main90099-05179
9011908355
main90119-08355
19 parts on this diagram · 4 diagrams in section