Toyota CELICA — DISTRIBUTOR

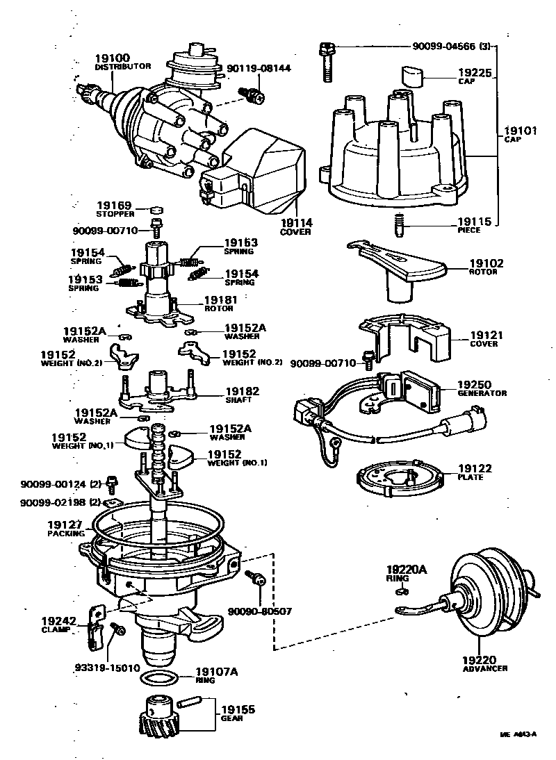
19100DISTRIBUTOR ASSY
19101CAP SUB-ASSY, DISTRIBUTOR
19115PIECE, DISTRIBUTOR CAP, CENTER
19121COVER, DUST PROOF
19122PLATE, STATIONARY, DISTRIBUTOR
19152WEIGHT, GOVERNOR
NO.2
NO.1
19152ARING, SNAP(FOR GOVERNOR WEIGHT)
19153SPRING, GOVERNOR, A
19154SPRING, GOVERNOR, B
19155GEAR, SPIRAL, DISTRIBUTOR
19169STOPPER, CAM GREASE
sub19169-63011
19181ROTOR, DISTRIBUTOR, SIGNAL
19182SHAFT, DISTRIBUTOR, DRIVING
19220ADVANCER ASSY, VACUUM, DISTRIBUTOR
19220ARING, SNAP(FOR DISTRIBUTOR VACUUM ADVANCER)
19225CAP, RUBBER
19242CLAMP, CORD
19250GENERATOR ASSY, SIGNAL
9009080507
main90090-80507
9009900124
main90099-00124
9009900710
main90099-00710
9009902198
main90099-02198
9009904566
main90099-04566
9011908144
main90119-08144
9331915010
main93319-15010
29 parts on this diagram · 5 diagrams in section