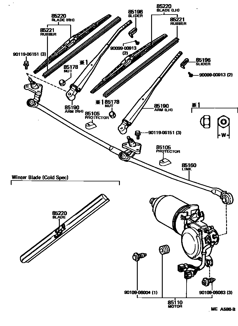
Toyota CELICA — WINDSHIELD WIPER

85105PROTECTOR, WIPER
85110MOTOR ASSY, WINDSHIELD WIPER
W/RISE UP WIPER(W/WIPER ARM SLIDER)
85160LINK ASSY, WINDSHIELD WIPER
85178NUT (FOR FRONT WIPER ARM SETTING)
W=14
W=12
W=12
85190ARM ASSY, WINDSHIELD WIPER
RH
RH
RH
RH,COLD SPEC
RH
LH
LH
LH
LH,COLD SPEC
LH
85196SLIDER, WIPER ARM
RH
RH,LH
LH
RH,LH
85220BLADE ASSY, WINDSHIELD WIPER
RH
LH
RH
LH
LH
WINTER BLADE(COLD SPEC)
RH
85221BLADE, WINDSHIELD WIPER
9009900913
main90099-00913
9010906004
main90109-06004
9010906063
main90109-06063
9011906151
main90119-06151
12 parts on this diagram · 1 diagram in section
WINDSHIELD WIPER for Toyota CELICA
This section contains 12 genuine Toyota parts for the WINDSHIELD WIPER system of the Toyota CELICA. Key components include: PROTECTOR, WIPER, MOTOR ASSY, WINDSHIELD WIPER, LINK ASSY, WINDSHIELD WIPER, NUT (FOR FRONT WIPER ARM SETTING), ARM ASSY, WINDSHIELD WIPER.