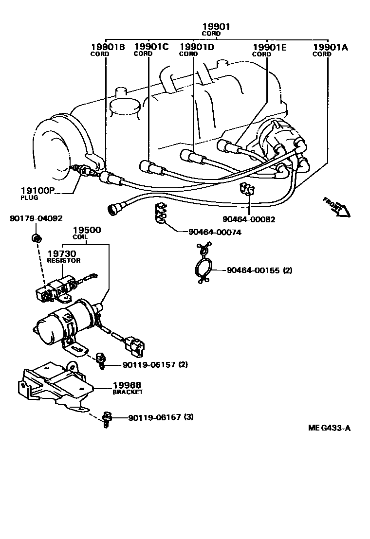
Toyota CELICA — IGNITION COIL & SPARK PLUG / GLOW PLUG

19100PPLUG, SPARK
W16EXR-U
PQ16R,PQ16R
Q16R-U11,Q16R-U11
Q20R-U11,Q20R-U11
19500COIL ASSY, IGNITION
19730RESISTOR, IGNITION COIL
19901CORD SET, COIL & SPARK, W/RESISTIVE
19901ACORD, COIL RESISTIVE
19901BCORD, SPARK PLUG RESISTIVE, NO.1
19901CCORD, SPARK PLUG RESISTIVE, NO.2
19901DCORD, SPARK PLUG RESISTIVE, NO.3
19901ECORD, SPARK PLUG RESISTIVE, NO.4
19968BRACKET, IGNITION COIL
9011906157
main90119-06157
9017904092
main90179-04092
9046400074
main90464-00074
9046400082
main90464-00082
9046400155
main90464-00155
15 parts on this diagram · 4 diagrams in section
IGNITION COIL & SPARK PLUG / GLOW PLUG for Toyota CELICA
This section contains 24 genuine Toyota parts for the IGNITION COIL & SPARK PLUG / GLOW PLUG system of the Toyota CELICA. Key components include: PLUG, SPARK, COIL ASSY, IGNITION, RESISTOR, IGNITION COIL, CORD SET, COIL & SPARK, W/RESISTIVE, CORD, COIL RESISTIVE.