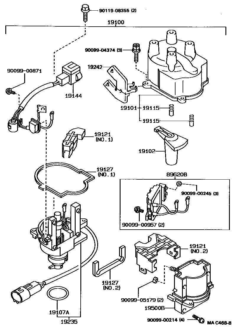
Toyota CELICA — DISTRIBUTOR

19107ARING, O, DISTRIBUTOR HOUSING
19115PIECE, DISTRIBUTOR CAP, CENTER
19121COVER, DUST PROOF
NO.2
NO.1
19127PACKING, DUST PROOF
NO.1
NO.2
19144LEAD, DISTRIBUTOR BREAKER
19235HOUSING, DISTRIBUTOR
19242CLAMP, CORD
19500BCOIL ASSY, IGNITION
89620BIGNITER ASSY
9009900214
main90099-00214
9009900245
main90099-00245
9009900871
main90099-00871
9009900957
main90099-00957
9009904374
main90099-04374
9009905179
main90099-05179
9011908355
main90119-08355
19 parts on this diagram · 4 diagrams in section