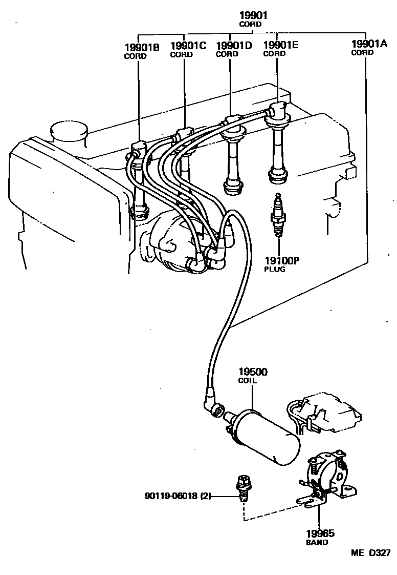
Toyota CELICA — IGNITION COIL & SPARK PLUG / GLOW PLUG

19100PPLUG, SPARK
W16EXR-U,W16EXR-U
W14EXR-U,W14EXR-U
W20EXR-U,W20EXR-U
Q20R-U11,Q20R-U11
19500COIL ASSY, IGNITION
19901CORD SET, COIL & SPARK, W/RESISTIVE
19901ACORD, COIL RESISTIVE
19901BCORD, SPARK PLUG RESISTIVE, NO.1
19901CCORD, SPARK PLUG RESISTIVE, NO.2
19901DCORD, SPARK PLUG RESISTIVE, NO.3
19901ECORD, SPARK PLUG RESISTIVE, NO.4
19965BAND, IGNITION COIL, NO.1
9011906018
main90119-06018
10 parts on this diagram · 8 diagrams in section
IGNITION COIL & SPARK PLUG / GLOW PLUG for Toyota CELICA
This section contains 38 genuine Toyota parts for the IGNITION COIL & SPARK PLUG / GLOW PLUG system of the Toyota CELICA. Key components include: PLUG, SPARK, COIL ASSY, IGNITION, RESISTOR, IGNITION COIL, CORD SET, COIL & SPARK, W/RESISTIVE, CORD, COIL RESISTIVE.