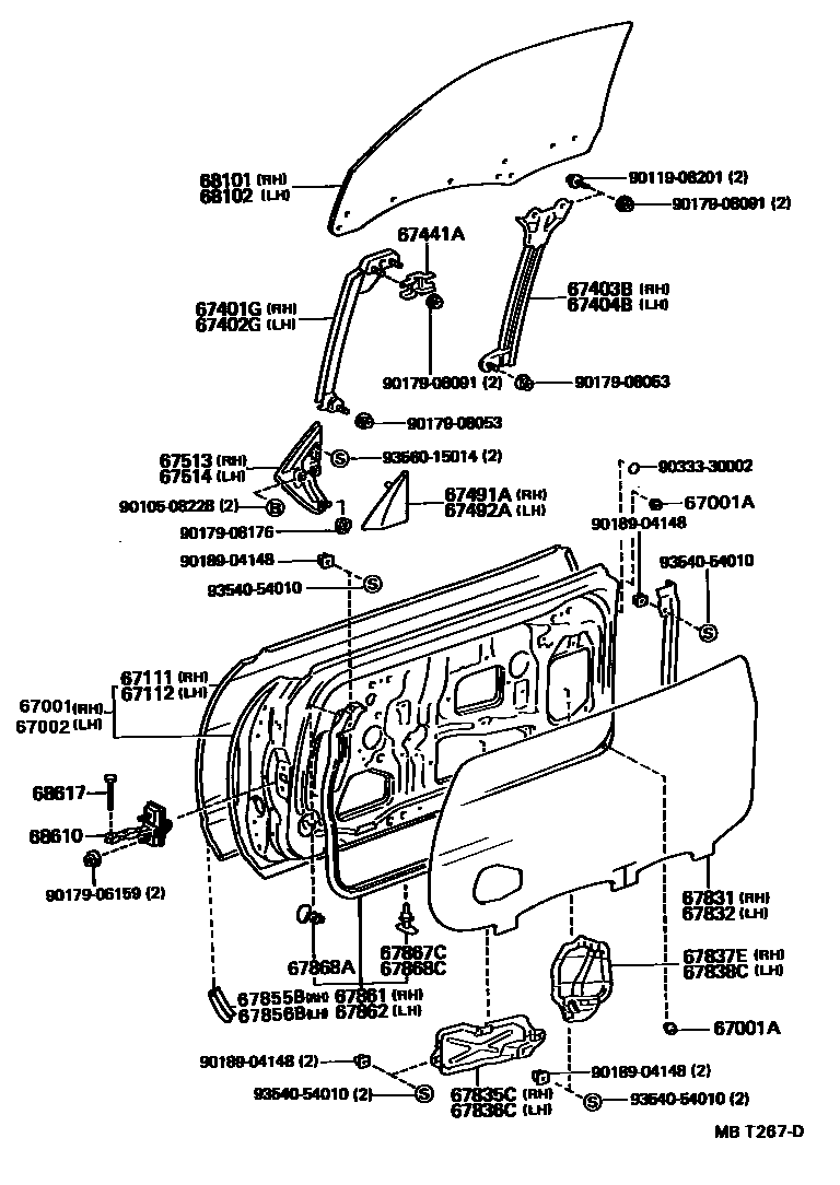
Toyota CELICA — FRONT DOOR PANEL & GLASS

67001PANEL SUB-ASSY, FRONT DOOR, RH
67001ACUSHION, FRONT DOOR PANEL
67002PANEL SUB-ASSY, FRONT DOOR, LH
67111PANEL, FRONT DOOR, OUTER RH
67112PANEL, FRONT DOOR, OUTER LH
67401GGUIDE SUB-ASSY, FRONT DOOR WINDOW, FRONT RH
67402GGUIDE SUB-ASSY, FRONT DOOR WINDOW, FRONT LH
67403BGUIDE SUB-ASSY, FRONT DOOR WINDOW, REAR RH
67404BGUIDE SUB-ASSY, FRONT DOOR WINDOW, REAR LH
67492AGARNISH, FRONT DOOR LOWER FRAME BRACKET, LH
W/0(SPEAKER)
67831COVER, FRONT DOOR SERVICE HOLE, RH
W(SPEAKER HOLE)
67832COVER, FRONT DOOR SERVICE HOLE, LH
W(SPEAKER HOLE)
67835CCOVER, FRONT DOOR SERVICE HOLE, NO.3 RH
67836CCOVER, FRONT DOOR SERVICE HOLE, NO.3 LH
67837ECOVER, FRONT DOOR SERVICE HOLE, NO.4 RH
67838CCOVER, FRONT DOOR SERVICE HOLE, NO.4 LH
67855BPROTECTOR, FRONT DOOR PANEL, RH
67856BPROTECTOR, FRONT DOOR PANEL, LH
67861WEATHERSTRIP, FRONT DOOR, RH
67862WEATHERSTRIP, FRONT DOOR, LH
67867CRETAINER, FRONT DOOR WEATHERSTRIP, RH
67868ACLIP, DOOR GLASS WEATHERSTRIP(FOR FRONT DOOR)
67868CRETAINER, FRONT DOOR WEATHERSTRIP, LH
68101GLASS SUB-ASSY, FRONT DOOR, RH
*TT,T=5.0,BLUE
68102GLASS SUB-ASSY, FRONT DOOR, LH
*TT,T=5.0,BLUE
68610CHECK ASSY, FRONT DOOR
RH
LH
68617PIN, FRONT DOOR CHECK
9010508228
main90105-08228
9011908201
main90119-08201
9017906159
main90179-06159
9017908053
main90179-08053
9017908091
main90179-08091
9017908176
main90179-08176
9018904148
main90189-04148
9033330002
main90333-30002
9354054010
main93540-54010
9356015014
main93560-15014
41 parts on this diagram · 2 diagrams in section