E
EPC Data
Pricing
Sign In
Home
›
Toyota
›
CARINA
›
PARTIAL ENGINE ASSEMBLY
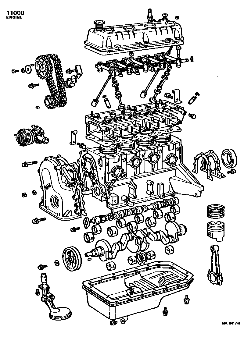
Toyota CARINA — PARTIAL ENGINE ASSEMBLY
11000
ENGINE ASSY, PARTIAL
main
19000-26133
i
2T..TA40
197708-197908
main
19000-26134
i
2T..TA40
197908-198107
main
19000-26143
i
2TB..TA40
197708-197908
main
19000-26144
i
2TB..TA40
197908-198107
main
19000-26300
i
2TC..TA40
197801-197908
main
19000-28041
i
3T..TA47
198008-198107
main
19000-28070
i
3TC..TA47
197908-198107
1 parts on this diagram · 1 diagram in section
Toyota CARINA PARTIAL ENGINE ASSEMBLY — Parts Diagram | EPC Data