E
ToyotaEPC

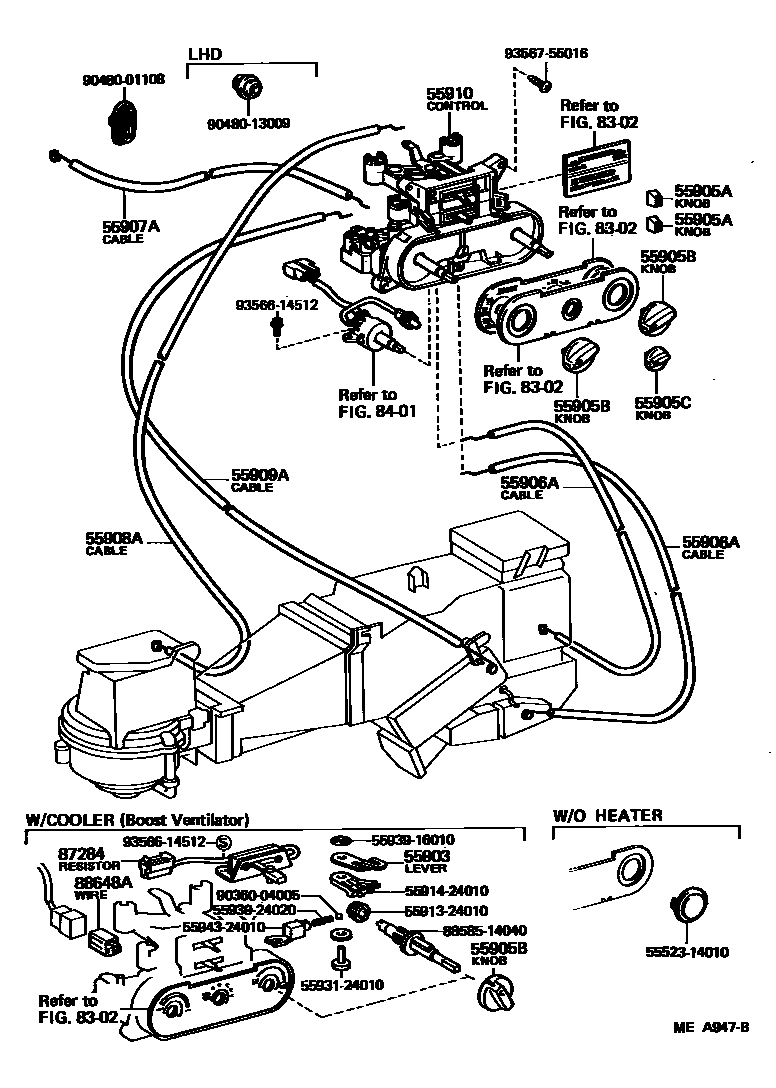
Toyota CARINAHEATING & AIR CONDITIONING - CONTROL & AIR DUCT

Parts diagram
55903LEVER SUB-ASSY, HEATER CONTROL
main55917-14150i198108-198309
55905AKNOB, HEATER CONTROL
main55905-12070×2i198108-198309
55905BKNOB, HEATER CONTROL, NO.2
main55905-14110×2i198108-198309
*IPM
main55905-24010i198108-198309
W/BOOST VENTILATOR & COOLER
main55905-24011×2i198108-198309
55905CKNOB, HEATER CONTROL, NO.3
main55905-24021i198108-198309
55906ACABLE SUB-ASSY, DEFROSTER DAMPER CONTROL
main55906-14110i198108-198309
WIRE:L=450,TUBE:L=385
main55906-14120i198108-198309
WIRE:L=470,TUBE:L=405
main55906-14150i198108-198309
WIRE:L=450,TUBE:L=400 W/HEATER
55907ACABLE SUB-ASSY, WATER VALVE CONTROL
main55907-14200i198108-198309
main55907-14210i198108-198309
55908ACABLE SUB-ASSY, AIR INLET DAMPER CONTROL
main55908-14080i198108-198309
55909ACABLE SUB-ASSY, AIRMIX DAMPER CONTROL
main55909-14040i198108-198309
55910CONTROL ASSY, HEATER OR BOOST VENTILATOR
main55910-14240i198108-198309
main55910-14250i198108-198309
*IPM
main55910-14260i198108-198309
W/BOOST VENTILATOR
main55910-14270i198108-198309
main55910-14280i198108-198309
W/BOOST VENTILATOR
main55910-14370i198108-198309
*IPM
8302INDICATOR
8401SWITCH & RELAY & COMPUTER
87284RESISTOR SUB-ASSY, VARIABLE
main88032-14110i198108-198309
88648AWIRING, COOLER
main88605-14450i198108-198309
5552314010COVER, HEATER CONTROL OPENING
5591324010CABLE SUB-ASSY, BOOST VENT CONTROL
5591424010RETAINER, HEATER CONTROL KNOB
5593124010CLAMP, HEATER CONTROL WIRE
5593916010ORNAMENT, HEATER CONTROL
5593924020ORNAMENT, HEATER CONTROL
5594324010
8858514040SHAFT, AIR DAMPER, LOWER
9036004005
9048001108
9048013009
9356614512
9356755016

26 parts on this diagram · 2 diagrams in section

HEATING & AIR CONDITIONING - CONTROL & AIR DUCT for Toyota CARINA

This section contains 44 genuine Toyota parts for the HEATING & AIR CONDITIONING - CONTROL & AIR DUCT system of the Toyota CARINA. Key components include: LEVER SUB-ASSY, HEATER CONTROL, KNOB, HEATER CONTROL, KNOB, HEATER CONTROL, NO.2, KNOB, HEATER CONTROL, NO.3, CABLE SUB-ASSY, DEFROSTER DAMPER CONTROL.