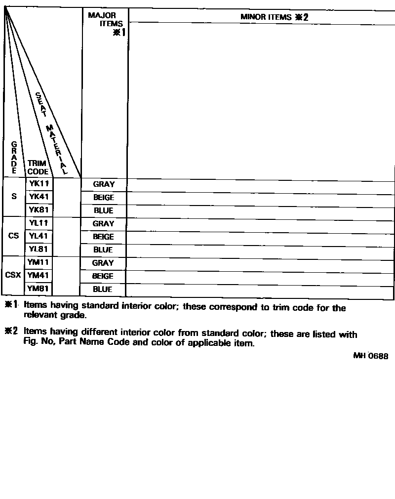
Toyota CAMRY — COLOR FINDING TABLE

12345BRACKET, ENGINE STIFFENER BASE
1 parts on this diagram · 2 diagrams in section
COLOR FINDING TABLE for Toyota CAMRY
This section contains 1 genuine Toyota parts for the COLOR FINDING TABLE system of the Toyota CAMRY. Key components include: BRACKET, ENGINE STIFFENER BASE.