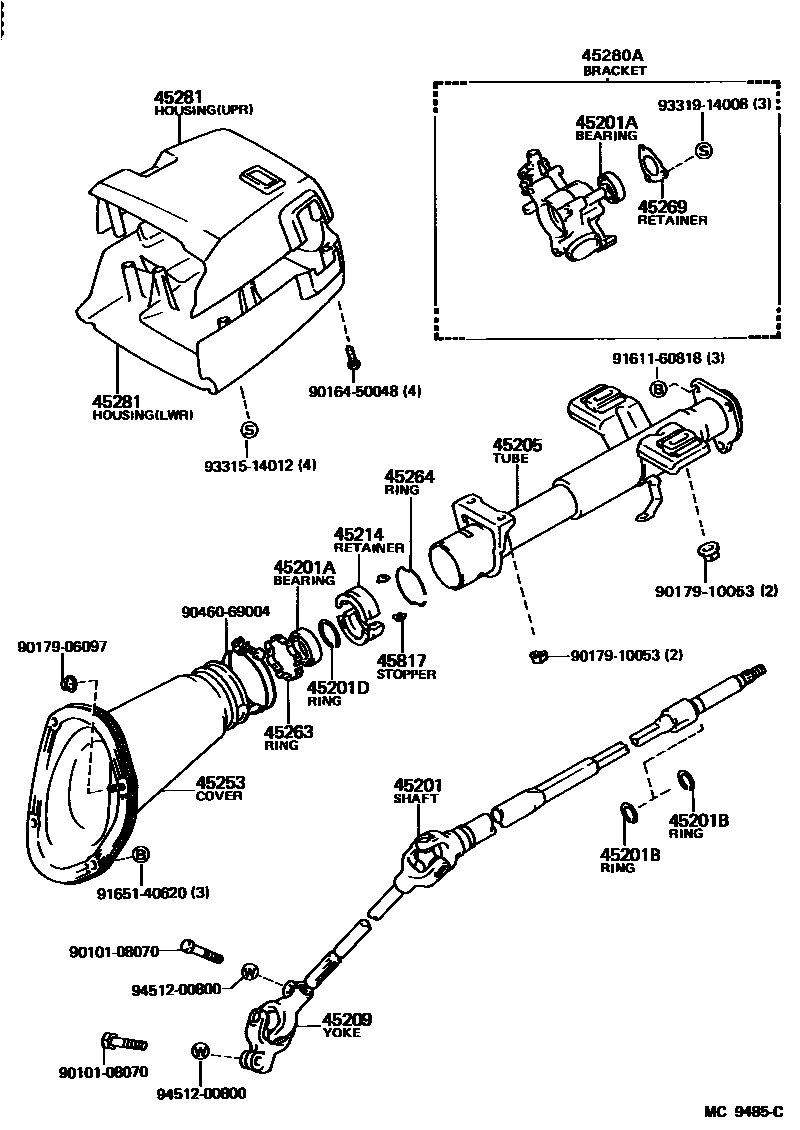
Toyota CAMRY — STEERING COLUMN & SHAFT

45201ABEARING(FOR STEERING MAIN SHAFT)
UPR
LWR
45201BRING, SHAFT SNAP(FOR STEERING MAIN SHAFT)
T=1.20,T=1.2
T=1.35-1.45,T=1.4
45201DRING(FOR STEERING MAIN SHAFT)
45205TUBE SUB-ASSY, STEERING COLUMN
45209YOKE SUB-ASSY, STEERING SLIDING
sub45209-10020
45214RETAINER, MAIN SHAFT SPRING
45253COVER, STEERING COLUMN HOLE
45263RING, STEERING COLUMN, NO.1
45264RING, STEERING COLUMN, NO.2
45269RETAINER, MAIN SHAFT BEARING
45280ABRACKET ASSY, STEERING COLUMN, UPPER
45281HOUSING, STEERING COLUMN
45817STOPPER, STEERING SHAFT THRUST
9010108070
main90101-08070
9016450048
main90164-50048
9017906097
main90179-06097
9017910053
main90179-10053
9046069004
main90460-69004
9161160818
main91611-60818
9165140620
main91651-40620
9331514012
main93315-14012
9331914008
main93319-14008
9451200800
main94512-00800
24 parts on this diagram · 2 diagrams in section