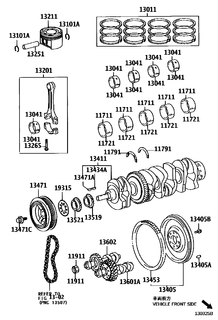
Toyota CAMRY — CRANKSHAFT & PISTON

11711BEARING, CRANKSHAFT
MARK1,NO.2,REFER R/M
MARK2,NO.2,REFER R/M
MARK3,NO.2,REFER R/M
MARK4,NO.2,REFER R/M
MARK5,NO.2,REFER R/M
MARK6,NO.2,REFER R/M
MARK7,NO.2,REFER R/M
MARK1,NO.1,REFER R/M
MARK2,NO.1,REFER R/M
MARK3,NO.1,REFER R/M
MARK4,NO.1,REFER R/M
MARK5,NO.1,REFER R/M
MARK6,NO.1,REFER R/M
MARK7,NO.1,REFER R/M
11721BEARING, CRANKSHAFT, NO.2
11791WASHER, CRANKSHAFT THRUST, UPPER
STD
11911BEARING, BALANCESHAFT, NO.1
13011RING SET, PISTON
STD
STD
STD
STD
1302
13041BEARING, CONNECTING ROD
MARK1,REFER REPAIR MANUAL
MARK2,REFER REPAIR MANUAL
MARK3,REFER REPAIR MANUAL
MARK4,REFER REPAIR MANUAL
13101PISTON SUB-ASSY, W/PIN
STD,RH
STD,LH
13101ARING, HOLE SNAP(FOR PISTON PIN)
13211PISTON
MARK A,REFER REPAIR MANUAL
MARK B,REFER REPAIR MANUAL
MARK C,REFER REPAIR MANUAL
MARK A,REFER REPAIR MANUAL
MARK B,REFER REPAIR MANUAL
MARK C,REFER REPAIR MANUAL
13251PIN, PISTON
13405FLYWHEEL SUB-ASSY
13405APIN, STRAIGHT(FOR FLYWHEEL)
L=23,OD=8
13405BBOLT, FLYWHEEL SETTING
13434AKEY(FOR OIL PUMP DRIVE SPLINE)
13453GEAR, FLYWHEEL RING
13471PULLEY, CRANKSHAFT
(L)
(J)
13471AKEY, CRANKSHAFT(FOR CRANKSHAFT PULLEY SET)
13471CBOLT(FOR CRANKSHAFT PULLEY SET)
13519GEAR, OIL PUMP DRIVE
19315PLATE, CRANK ANGLE SENSOR, NO.1
27 parts on this diagram · 2 diagrams in section