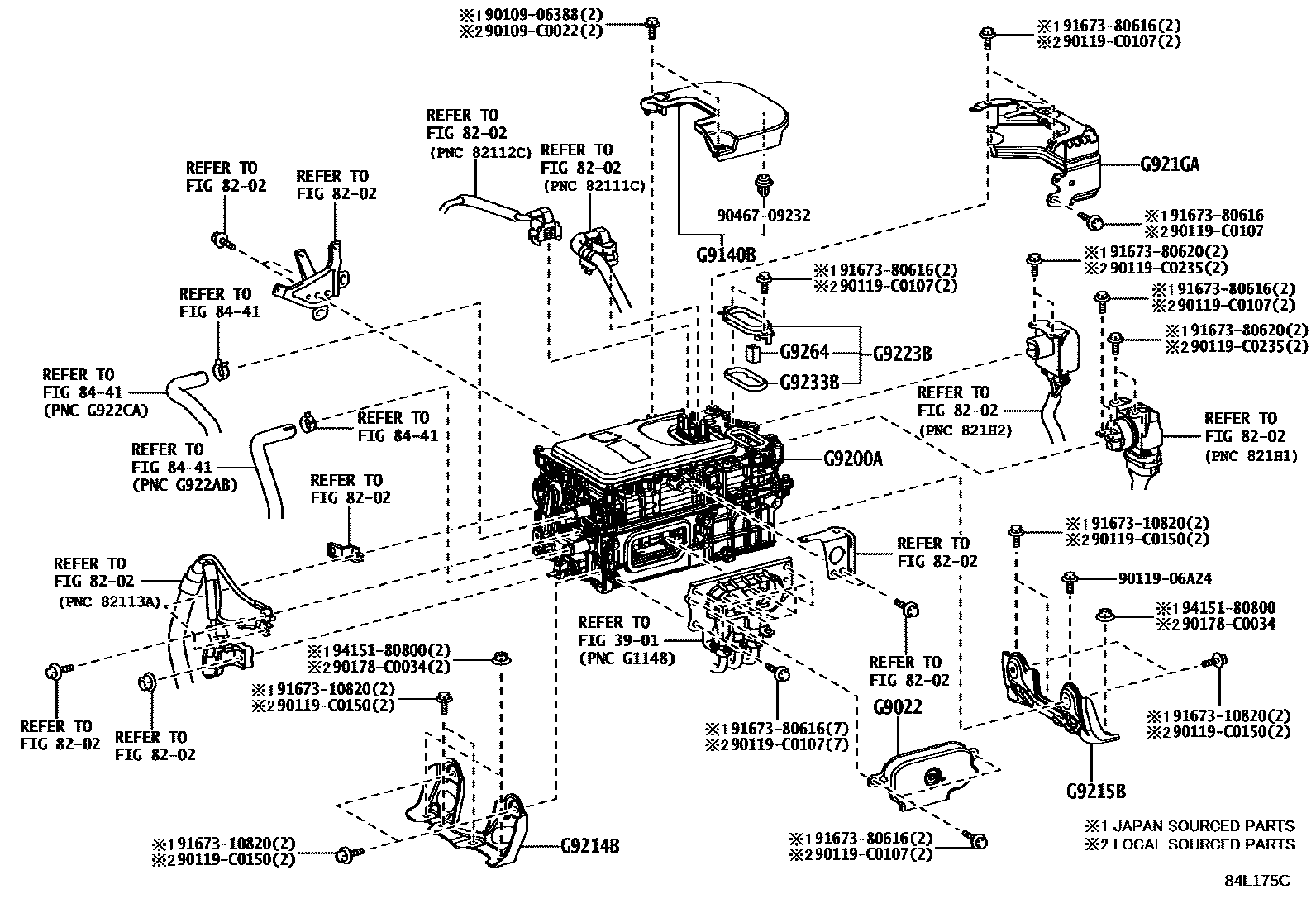
Toyota C-HR(CHINA) — INVERTER(BEV OR FCEV)

3901TRANSAXLE ASSY(HEV OR BEV OR FCEV)
8202WIRING & CLAMP
8441BEV COOLING
G9022COVER SUB-ASSY, INVERTER, UPPER
G9140BCOVER ASSY, INVERTER
G9200AINVERTER ASSY, W/CONVERTER
G9214BBRACKET, INVERTER, NO.1
G9215BBRACKET, INVERTER, NO.2
G921GAPROTECTOR, INVERTER
G9223BCOVER, INVERTER TERMINAL
G9233BGASKET, INVERTER COVER
G9264CONNECTOR, INVERTER SIGNAL
9010906388
main90109-06388
90109C0022
main90109-C0022
9011906A24
main90119-06A24
90119C0107
main90119-C0107
90119C0150
main90119-C0150
90119C0235
main90119-C0235
90178C0034
main90178-C0034
9046709232
main90467-09232
9167310820
main91673-10820
9167380616
main91673-80616
9167380620
main91673-80620
9415180800
main94151-80800
24 parts on this diagram · 1 diagram in section
INVERTER(BEV OR FCEV) for Toyota C-HR(CHINA)
This section contains 24 genuine Toyota parts for the INVERTER(BEV OR FCEV) system of the Toyota C-HR(CHINA). Key components include: TRANSAXLE ASSY(HEV OR BEV OR FCEV), WIRING & CLAMP, BEV COOLING, COVER SUB-ASSY, INVERTER, UPPER, COVER ASSY, INVERTER.