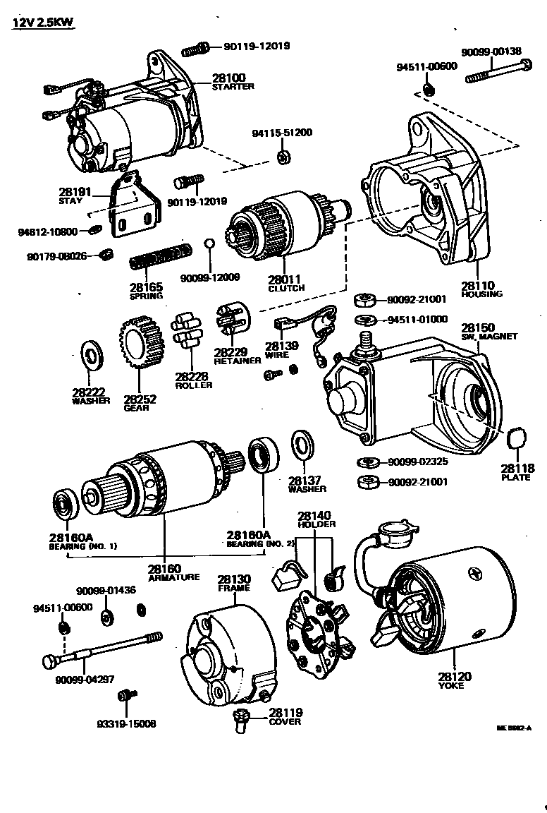
Toyota BLIZZARD — STARTER

28011CLUTCH SUB-ASSY, STARTER
12V 2.5KW
12V 2.0KW
28110HOUSING ASSY, STARTER DRIVE
12V 2.5KW
12V 2.0KW
28118PLATE(FOR STARTER YOKE)
12V 2.5KW
28119COVER, STARTER END FRAME
12V 2.0KW
12V 2.5KW
28120YOKE ASSY, STARTER
12V 2.5KW
12V 2.0KW
28130FRAME ASSY, STARTER COMMUTATOR END
12V 2.5KW
28137WASHER, FELT, STARTER
12V 2.5KW
28139WIRE, LEAD, NO.1(FOR STARTER)
12V 2.0KW
12V 2.5KW
28140HOLDER ASSY, STARTER BRUSH
12V 2.0KW
12V 2.5KW
28150SWITCH ASSY, MAGNET STARTER
12V 2.5KW
12V 2.0KW
28160ARMATURE ASSY, STARTER
12V 2.5KW
12V 2.0KW
28160ABEARING, STARTER ARMATURE
12V 2.0KW,NO.2
12V 2.5KW,NO.1
12V 2.5KW,NO.2
12V 2.0KW,NO.1
28165SPRING, STARTER MAGNET SWITCH RETURN
12V 2.0KW
12V 2.5KW
28191STAY, STARTER
12V 2.5KW
28222WASHER, STARTER IDLE GEAR CLUTCH
12V 2.5KW
28228ROLLER, STARTER IDLE GEAR CLUTCH
12V 2.0KW
12V 2.5KW
28229RETAINER, STARTER IDLE GEAR
12V 2.0KW
12V 2.5KW
28252GEAR, STARTER IDLE
12V 2.0KW
12V 2.5KW
9009221001
main90092-21001
9009900138
main90099-00138
9009901436
main90099-01436
9009902325
main90099-02325
9009904297
main90099-04297
9009912009
main90099-12009
9011912019
main90119-12019
9017908026
main90179-08026
9331915008
main93319-15008
9411551200
main94115-51200
9451100600
main94511-00600
9451101000
main94511-01000
9461210800
main94612-10800
32 parts on this diagram · 2 diagrams in section
STARTER for Toyota BLIZZARD
This section contains 43 genuine Toyota parts for the STARTER system of the Toyota BLIZZARD. Key components include: CLUTCH SUB-ASSY, STARTER, STARTER ASSY, HOUSING ASSY, STARTER DRIVE, PLATE(FOR STARTER YOKE), COVER, STARTER END FRAME.