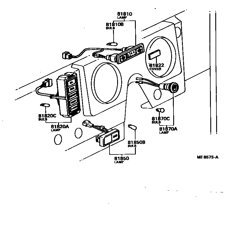
Toyota BLIZZARD — INDICATOR

81810LAMP ASSY, TURN SIGNAL INDICATOR
81810BBULB, TURN SIGNAL INDICATOR LAMP
12V 3.4W
81820ALAMP ASSY, CONDITION INDICATOR
81820CBULB, CONDITION INDICATOR LAMP
12V 1.2W
81822COVER, INDICATOR LAMP
81850LAMP ASSY, INDICATOR
81850BBULB, INDICATOR LAMP
81870ALAMP ASSY, TIMING BELT WARNING
81870CBULB, TIMING BELT WARNING LAMP
12V 3.4W
9 parts on this diagram · 1 diagram in section