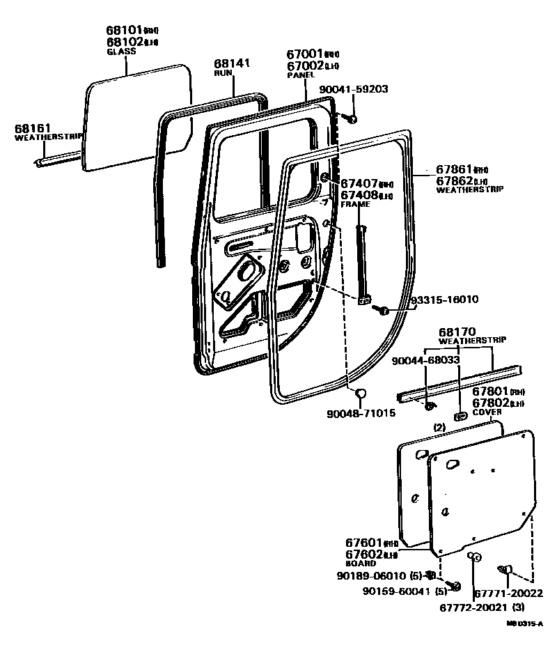
Toyota BLIZZARD — FRONT DOOR PANEL & GLASS

67001PANEL SUB-ASSY, FRONT DOOR, RH
W/MIRROR HOLE
67002PANEL SUB-ASSY, FRONT DOOR, LH
W/MIRROR HOLE
67407FRAME SUB-ASSY, FRONT DOOR, REAR LOWER RH
67408FRAME SUB-ASSY, FRONT DOOR, REAR LOWER LH
67601BOARD SUB-ASSY, FRONT DOOR TRIM, RH
67602BOARD SUB-ASSY, FRONT DOOR TRIM, LH
67801COVER SUB-ASSY, FRONT DOOR HOLE, NO.1 RH
67802COVER SUB-ASSY, FRONT DOOR HOLE, NO.1 LH
67861WEATHERSTRIP, FRONT DOOR, RH
67862WEATHERSTRIP, FRONT DOOR, LH
68101GLASS SUB-ASSY, FRONT DOOR, RH
*TEM,T=4.0
68102GLASS SUB-ASSY, FRONT DOOR, LH
*TEM,T=4.0
68141RUN, FRONT DOOR GLASS
68161WEATHERSTRIP, FRONT DOOR GLASS, OUTER
RH
LH
68170WEATHERSTRIP ASSY, FRONT DOOR GLASS, INNER
RH
LH
6777120022WEATHERSTRIP, BACK DOOR TRIM, RH
main67771-20022
6777220021WEATHERSTRIP, BACK DOOR TRIM, LH
main67772-20021
9004159203
main90041-59203
9004468033
main90044-68033
9004871015
main90048-71015
9015960041
main90159-60041
9018906010
main90189-06010
9331516010
main93315-16010
23 parts on this diagram · 1 diagram in section
FRONT DOOR PANEL & GLASS for Toyota BLIZZARD
This section contains 23 genuine Toyota parts for the FRONT DOOR PANEL & GLASS system of the Toyota BLIZZARD. Key components include: PANEL SUB-ASSY, FRONT DOOR, RH, PANEL SUB-ASSY, FRONT DOOR, LH, FRAME SUB-ASSY, FRONT DOOR, REAR LOWER RH, FRAME SUB-ASSY, FRONT DOOR, REAR LOWER LH, BOARD SUB-ASSY, FRONT DOOR TRIM, RH.