E
EPC Data

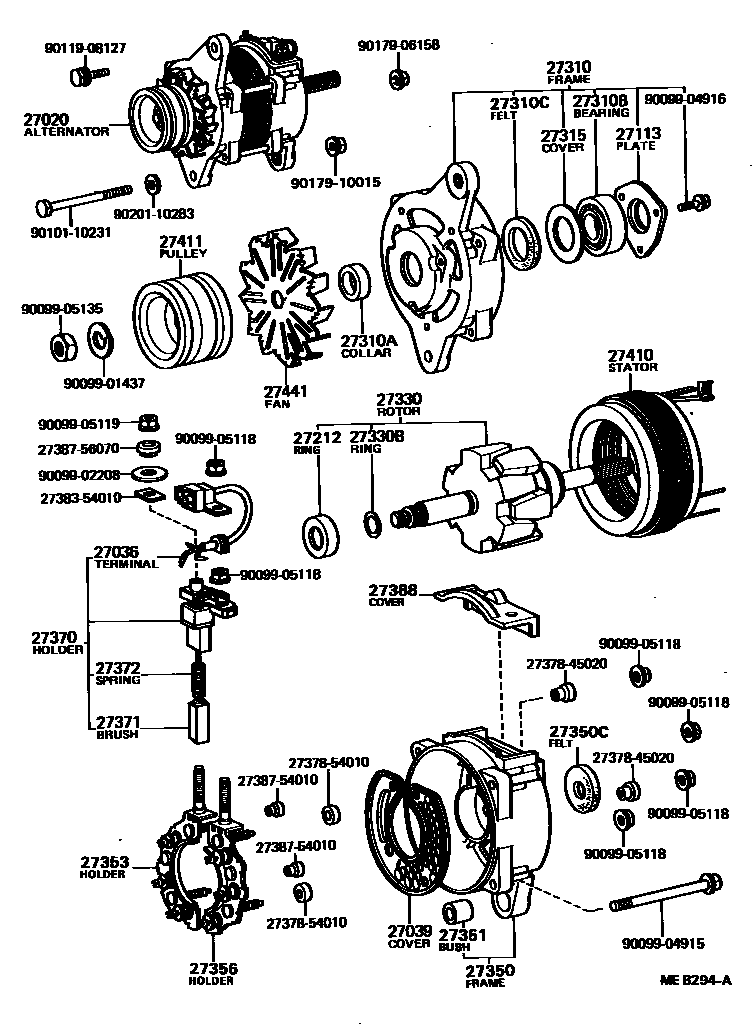
Toyota BLIZZARDALTERNATOR

Parts diagram
27020ALTERNATOR ASSY
main27020-54021i198201-198210
12V 40A,12V 40A
main27020-54110i198210-198404
12V 40A,12V 40A
27036TERMINAL SUB-ASSY, LEAD WIRE, ALTERNATOR
main27036-54010i198201-198404
12V 40A
27039COVER, ALTERNATOR REAR END
main27039-56090i198201-198210
12V 40A
27113PLATE, BEARING RETAINER, ALTERNATOR
main27312-56070i198201-198210
12V 40A
main27312-57060i198210-198404
12V 40A
27212RING, SPACE(FOR ALTERNATOR ROTOR)
main27333-57060i198210-198404
12V 40A
main27412-54040i198201-198210
12V 40A
27310FRAME ASSY, DRIVE END, ALTERNATOR
main27310-54012i198201-198210
12V 40A
main27310-54110i198210-198404
12V 40A
27310ACOLLAR OR NUT(FOR ALTERNATOR DRIVE END FRAME)
main27412-57060i198210-198404
12V 40A
main90099-19251i198201-198210
12V 40A
27310BBEARING(FOR ALTERNATOR DRIVE END FRAME)
main90099-10120i198201-198210
12V 40A
main90099-10137i198210-198404
12V 40A
27310CFELT(FOR ALTERNATOR DRIVE END FRAME)
main90099-02207i198201-198210
12V 40A
main90099-02209×2i198210-198404
12V 40A
27315COVER, ALTERNATOR FELT, INNER NO.1
main27315-56070i198201-198210
12V 40A
main27315-57060i198210-198404
12V 40A
27330ROTOR ASSY, ALTERNATOR
main27330-54040i198201-198210
12V 40A
main27330-56140i198210-198404
12V 40A
27330BRING, SNAP(FOR ALTERNATOR ROTOR)
main90099-07103i198210-198404
12V 40A
main90099-07108i198201-198210
12V 40A
27350FRAME ASSY, RECTIFIER END
main27350-54010i198201-198210
12V 40A
main27350-56140i198210-198404
12V 40A
27350CFELT (FOR ALTERNATOR RECTIFIER END FRAME)
main90099-02181i198201-198210
12V 40A
27351BUSH(FOR ALTERNATOR RECTIFIER END FRAME)
main27351-56013i198201-198404
12V 40A
27353HOLDER, W/RECTIFIER POSITIVE, ALTERNATOR
main27353-54020i198201-198404
12V 40A
27356HOLDER, W/RECTIFIER NEGATIVE, ALTERNATOR
main27356-54020i198201-198404
12V 40A
27370HOLDER ASSY, ALTERNATOR BRUSH
main27370-54010i198201-198404
12V 40A
27371BRUSH, ALTERNATOR
main27371-56070×2i198201-198404
12V 40A
27372SPRING, ALTERNATOR BRUSH
main27372-56070×2i198201-198404
12V 40A
27388COVER, ALTERNATOR BRUSH
main27388-56090i198201-198210
12V 40A
main27388-64010i198210-198404
12V 40A
27410STATOR ASSY, ALTERNATOR
main27410-54020i198201-198210
12V 40A
main27410-57060i198210-198404
12V 40A
27411PULLEY, ALTERNATOR
main27411-54020i198201-198210
12V 40A
main27411-54040i198201-198210
12V 40A,W/COOLER
main27411-54050i198210-198404
12V 40A,W/COOLER
main27411-56090i198210-198404
12V 40A
27441FAN, ALTERNATOR
main27441-54040i198201-198210
12V 40A
main27441-56090i198210-198404
12V 40A
2737845020INSULATOR, ALTERNATOR, NO.1
2737854010INSULATOR, ALTERNATOR, NO.1
2738354010WASHER, ALTERNATER TERMINAL INSULATOR, NO.1
2738754010INSULATOR, TERMINAL
2738756070INSULATOR, TERMINAL
9009901437
9009902208
9009904915
9009904916
9009905118
9009905119
9009905135
9010110231
9011908127
9017906158
9017910015
9020110283

41 parts on this diagram · 2 diagrams in section

ALTERNATOR for Toyota BLIZZARD

This section contains 45 genuine Toyota parts for the ALTERNATOR system of the Toyota BLIZZARD. Key components include: ALTERNATOR ASSY, TERMINAL SUB-ASSY, LEAD WIRE, ALTERNATOR, COVER, ALTERNATOR REAR END, PLATE, BEARING RETAINER, ALTERNATOR, RING, SPACE(FOR ALTERNATOR ROTOR).

Toyota BLIZZARD ALTERNATOR — Parts Diagram | EPC Data