E
EPC Data

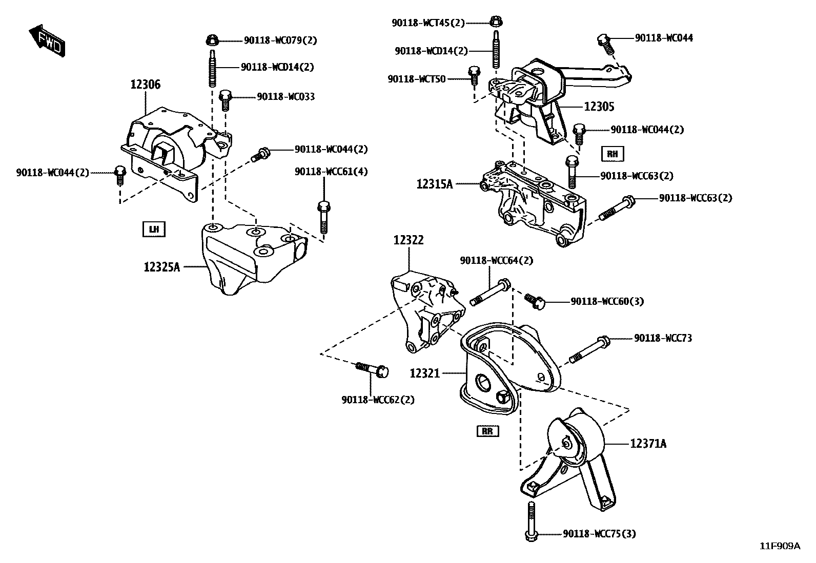
Toyota BELTAMOUNTING

Parts diagram
12305INSULATOR SUB-ASSY, ENGINE MOUNTING, RH
main12305-WC006i202107
POS.18
12306INSULATOR SUB-ASSY, ENGINE MOUNTING, LH
main12306-WC005i202107
POS.24
main12306-WC006i202107
POS.36
12315ABRACKET, ENGINE MOUNTING, RH(FOR TRANSVERSE ENGINE)
main12315-WC001i202107
POS.18
12321BRACKET, ENGINE MOUNTING, REAR, NO.1
main12363-WC004i202107
POS.18
12322BRACKET, ENGINE MOUNTING, REAR NO.2
main12321-WC001i202107
POS.24
main12321-WC002i202107
POS.36
12325ABRACKET, ENGINE MOUNTING, LH(FOR TRANSVERSE ENGINE)
main12325-WC004i202107
POS.24
main12325-WC005i202205-202310
POS.28
12371AINSULATOR, ENGINE MOUNTING, REAR
main12364-WC001i202107
POS.24
main12364-WC002i202107
POS.36
90118WC033
90118WC044
90118WC079
90118WCC60
90118WCC61
90118WCC62
90118WCC63
90118WCC64
90118WCC73
90118WCC75
90118WCD14
90118WCT45
90118WCT50

20 parts on this diagram · 2 diagrams in section

Toyota BELTA MOUNTING — Parts Diagram | EPC Data