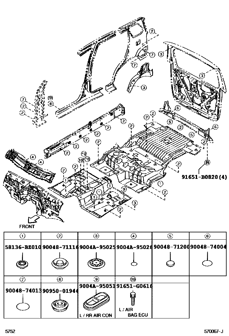
Toyota AVANZA — HOLE PLUG

58136BZ010COVER, FRONT FLOOR HOLE
main58136-BZ010
9004871116
main90048-71116
9004871200
main90048-71200
9004874004
main90048-74004
9004874013
main90048-74013
9004A95025
main9004A-95025
9004A95026
main9004A-95026
9004A95051
main9004A-95051
9095001944
main90950-01944
91651B0820
main91651-B0820
91651G0616
main91651-G0616
11 parts on this diagram · 3 diagrams in section