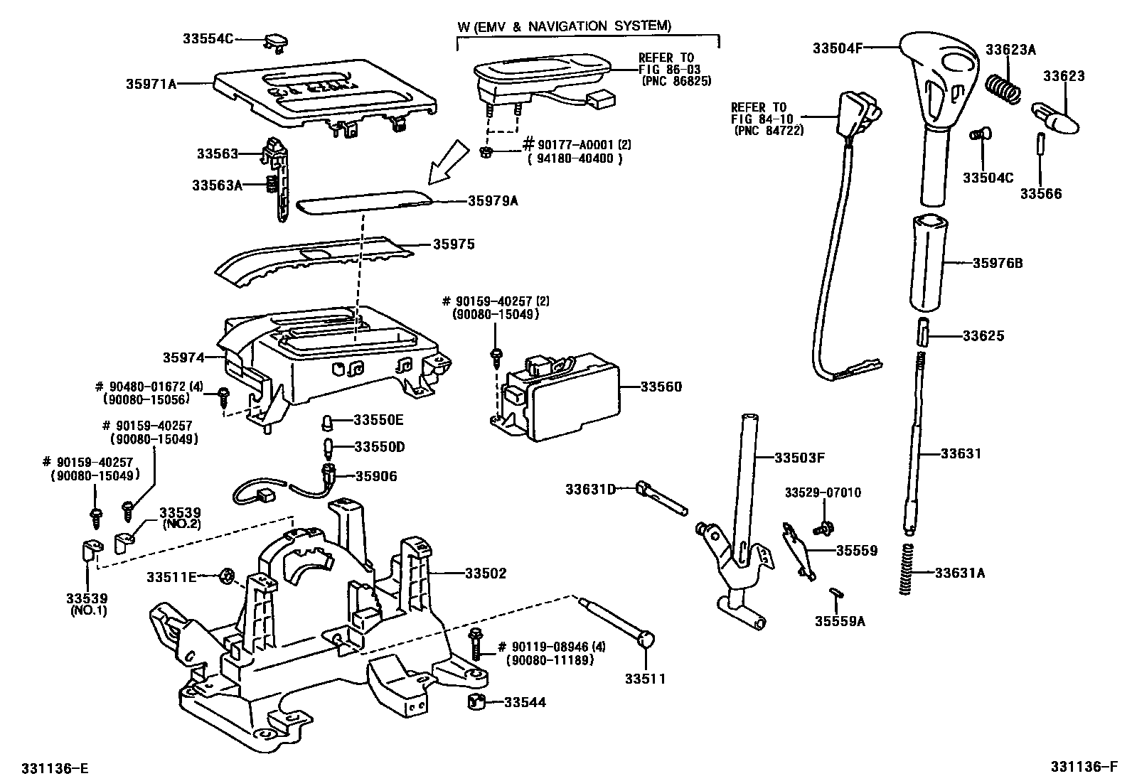
Toyota AVALON — SHIFT LEVER & RETAINER

33502PLATE SUB-ASSY, SHIFT LEVER
33503FLEVER SUB-ASSY, SHIFT(FOR FLOOR SHIFT)
33504CSCREW (FOR SHIFT LEVER KNOB SETTING)
(L)
(J)
33504FKNOB SUB-ASSY, SHIFT LEVER
URETHANE,IVORY,TRIM0#
URETHANE,STONE,TRIM1#
URETHANE,FAWN,TRIM4#
LEATHER,IVORY,TRIM0#
LEATHER,STONE,TRIM1#
LEATHER,FAWN,TRIM4#
33511SHAFT, CONTROL (FOR FLOOR SHIFT)
33511ERING, SNAP (FOR FLOOR SHIFT CONTROL SHAFT)
33539CUSHION, SHIFT LEVER ANTI-RATTLE
NO.1
NO.2
33544INSERT, SHIFT LEVER, NO.1
33550DBULB, POSITION INDICATOR LAMP
12V 2W
33550ECAP, POSITION INDICATOR LAMP
33554CCOVER, SHIFT LOCK RELEASE BUTTON
33560UNIT ASSY, SHIFT LOCK CONTROL
33563BUTTON, SHIFT LOCK RELEASE
33563ASPRING, COMPRESSION (FOR SHIFT LOCK RELEASE BUTTON)
33566PIN, SHIFT LEVER STOP
33623BUTTON, SHIFT LEVER KNOB
IVORY,TRIM0#
STONE,TRIM1#
FAWN,TRIM4#
33623ASPRING, COMPRESSION (FOR SHIFT LEVER KNOB BUTTON)
33625SLEEVE, SHIFT LEVER KNOB
33631ROD, DETENT
33631ASPRING, COMPRESSION (FOR DETENT ROD)
33631DPIN, GROOVED (FOR DETENT ROD)
35559SPRING, MANUAL DETENT
35559APIN (FOR MANUAL DETENT SPRING)
35906WIRE SUB-ASSY, INDICATOR LAMP
35971AHOUSING, POSITION INDICATOR, UPPER
35974HOUSING, POSITION INDICATOR, LOWER
W(EMV & NAVIGATION SYSTEM)
35975COVER, SLIDE (FOR POSITION INDICATOR)
35976BCOVER, SHIFT LEVER KNOB (FOR FLOOR SHIFT)
IVORY,TRIM0#
STONE,TRIM1#
FAWN,TRIM4#
35979ASHEET, POSITION INDICATOR HOUSING
8410
8603
3352907010BOLT, SHIFT LEVER (FOR CONTROL SHAFT)
main33529-07010
9008011189
main90080-11189
9008015049
main90080-15049
9008015056
main90080-15056
9011908946
main90119-08946
9015940257
main90159-40257
90177A0001
main90177-A0001
9048001672
main90480-01672
9418040400
main94180-40400
40 parts on this diagram · 2 diagrams in section