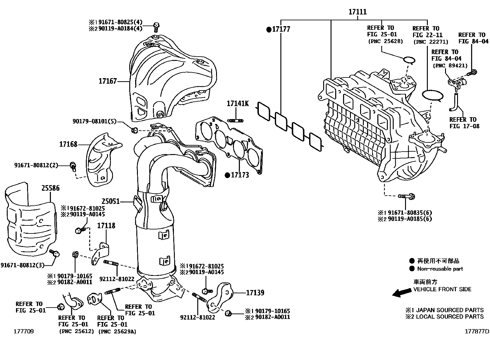
Toyota AVALON — MANIFOLD

1708
17111MANIFOLD, INTAKE
(L)
(J)
*107
*288
*107,*288
17118STAY, MANIFOLD
*107
*288
*107,*288
17139STAY, MANIFOLD, NO.2
*107
*288
*107,*288
17141KBOLT, STUD(FOR EXHAUST MANIFOLD TO CYLINDER HEAD)
*107
*288
17167INSULATOR, EXHAUST MANIFOLD HEAT, NO.1
*288
*107
17173GASKET, EXHAUST MANIFOLD TO HEAD
*288
*107
17177GASKET, INTAKE MANIFOLD TO HEAD, NO.1
*288
*107
*107,*288
2211
2501
25051CONVERTER SUB-ASSY, EXHAUST MANIFOLD
(L),*288
(J),*288
*107
*107,(J),*288
25586INSULATOR, MANIFOLD CONVERTER, NO.1
*107
*107,*288
*288
8404
90119A0145
main90119-A0145
90119A0184
main90119-A0184
90119A0185
main90119-A0185
9017908101
main90179-08101
9017910165
main90179-10165
90182A0011
main90182-A0011
9167180812
main91671-80812
9167180825
main91671-80825
9167180835
main91671-80835
9167281025
main91672-81025
9211281022
main92112-81022
25 parts on this diagram · 2 diagrams in section