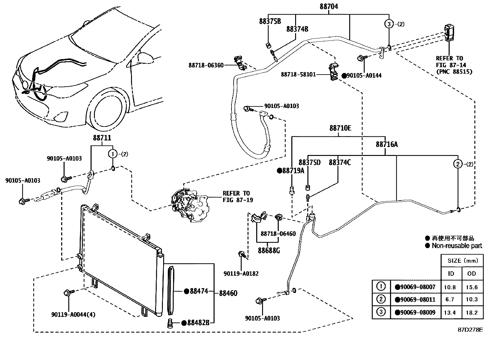
Toyota AVALON — HEATING & AIR CONDITIONING - COOLER PIPING

8714
8719
88374BVALVE, SERVICE, NO.1
88374CVALVE, SERVICE, NO.2
88482BCAP, COOLER NO.1
88688GBRACKET, COOLER REFRIGERANT PIPE
88710ETUBE & ACCESSORY ASSY, AIR CONDITIONER
88711HOSE, COOLER REFRIGERANT DISCHARGE, NO.1
88716APIPE, COOLER REFRIGERANT LIQUID, A
88719ASENSOR, AIR CONDITIONER PRESSURE
8871806360PIPE, COOLER REFRIGERANT SUCTION, NO.2
main88718-06360
8871806460PIPE, COOLER REFRIGERANT SUCTION, NO.2
main88718-06460
8871858101PIPE, COOLER REFRIGERANT SUCTION, NO.2
main88718-58101
9006908007
main90069-08007
9006908009
main90069-08009
9006908011
main90069-08011
90105A0103
main90105-A0103
90105A0144
main90105-A0144
90119A0044
main90119-A0044
90119A0182
main90119-A0182
25 parts on this diagram · 2 diagrams in section