Toyota AVALON — FRONT FENDER APRON & DASH PANEL

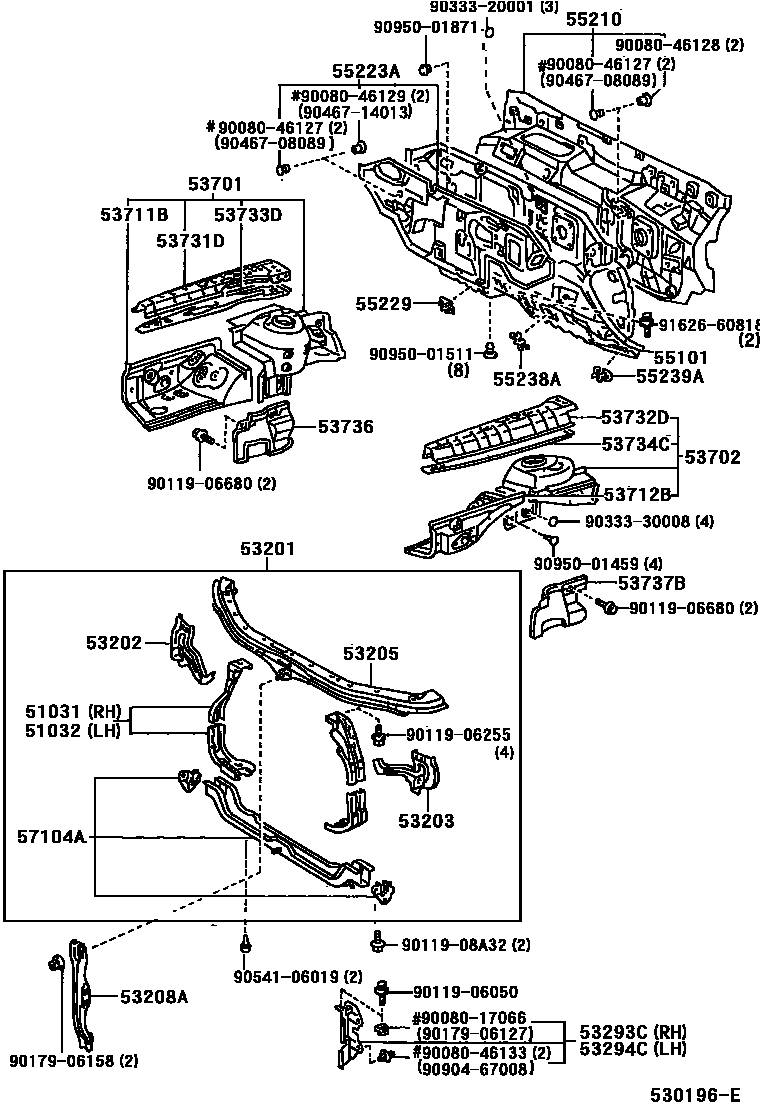
51031GUSSET SUB-ASSY, FRONT CROSSMEMBER, RH
51032GUSSET SUB-ASSY, FRONT CROSSMEMBER, LH
53202SUPPORT SUB-ASSY, RADIATOR, RH
53203SUPPORT SUB-ASSY, RADIATOR, LH
53208ASUPPORT SUB-ASSY, HOOD LOCK
53712BAPRON, FRONT FENDER, FRONT LH
53731DMEMBER, FRONT APRON TO COWL SIDE, UPPER RH
sub53731-06050
53732DMEMBER, FRONT APRON TO COWL SIDE, UPPER LH
sub53732-06040
53733DMEMBER, FRONT APRON TO COWL SIDE, LOWER FRONT RH
(J)
53734CMEMBER, FRONT APRON TO COWL SIDE, LOWER FRONT LH
(J)
53736SEAL, FRONT FENDER APRON, RH
55210INSULATOR ASSY, DASH PANEL
55223AINSULATOR, DASH PANEL, OUTER
55229PLATE, DASH PANEL INSULATOR, NO.4
55238APLATE, DASH PANEL INSULATOR, NO.2
55239APLATE, DASH PANEL INSULATOR, NO.3
sub55239-33020
9008017066
main90080-17066
9008046127
main90080-46127
9008046128
main90080-46128
9008046129
main90080-46129
9008046133
main90080-46133
9011906050
main90119-06050
9011906255
main90119-06255
9011906680
main90119-06680
9011908A32
main90119-08A32
9017906127
main90179-06127
9017906158
main90179-06158
9033320001
main90333-20001
9033330008
main90333-30008
9046708089
main90467-08089
9046714013
main90467-14013
9054106019
main90541-06019
9090467008
main90904-67008
9095001459
main90950-01459
9095001511
main90950-01511
9095001871
main90950-01871
9162660818
main91626-60818
47 parts on this diagram · 1 diagram in section