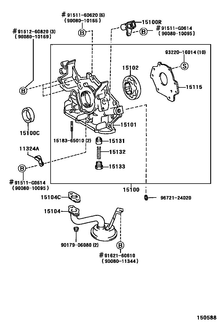
Toyota AVALON — ENGINE OIL PUMP

11324APLATE, TIMING BELT
15100PUMP ASSY, OIL
15100CSEAL(FOR OIL PUMP)
15100RSENSOR, CRANK POSITION
15101BODY SUB-ASSY, OIL PUMP
15102ROTOR SET, OIL PUMP
15104STRAINER SUB-ASSY, OIL
15104CGASKET(FOR OIL STRAINER)
15115COVER, OIL PUMP
15131VALVE, OIL PUMP RELIEF
15132SPRING, OIL PUMP RELIEF VALVE
15133PLUG, OIL PUMP RELIEF VALVE
1518365010BOLT, UNION(FOR OIL PUMP)
main15183-65010
9008010095
main90080-10095
9008010165
main90080-10165
9008010169
main90080-10169
9008011344
main90080-11344
9017906080
main90179-06080
9151160620
main91511-60620
91511G0614
main91511-G0614
9151260820
main91512-60820
9162160610
main91621-60610
9322016014
main93220-16014
9672124020
main96721-24020
24 parts on this diagram · 2 diagrams in section
ENGINE OIL PUMP for Toyota AVALON
This section contains 28 genuine Toyota parts for the ENGINE OIL PUMP system of the Toyota AVALON. Key components include: PLATE, TIMING BELT, PUMP ASSY, OIL, SEAL(FOR OIL PUMP), SENSOR, CRANK POSITION, BODY SUB-ASSY, OIL PUMP.