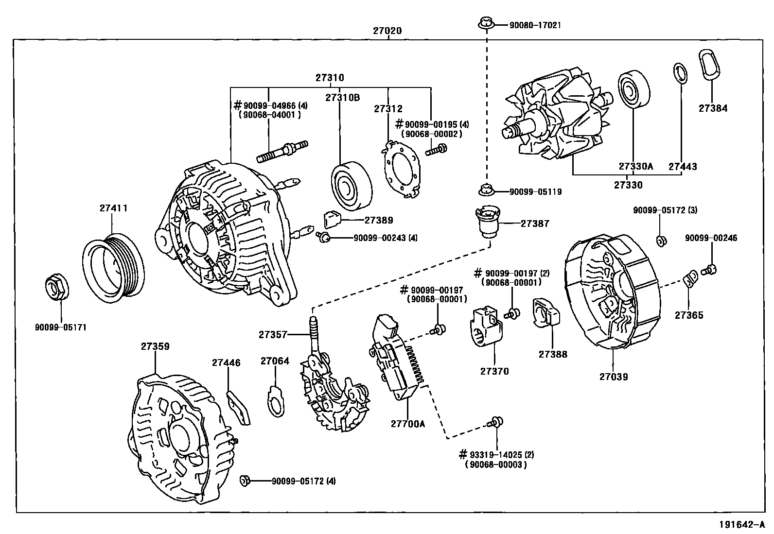
Toyota AVALON — ALTERNATOR

27020ALTERNATOR ASSY
12V 100A
27039COVER, ALTERNATOR REAR END
27064SEAL, ALTERNATOR PLATE
27310FRAME ASSY, DRIVE END, ALTERNATOR
27310BBEARING(FOR ALTERNATOR DRIVE END FRAME)
(J)
27312PLATE, RETAINER
27330ROTOR ASSY, ALTERNATOR
27330ABEARING(FOR ALTERNATOR ROTOR)
27357HOLDER, ALTERNATOR, W/RECTIFIER
27365PLATE, TERMINAL
27370HOLDER ASSY, ALTERNATOR BRUSH
27387INSULATOR, TERMINAL
27388COVER, ALTERNATOR BRUSH
27389INSULATOR, TERMINAL
27411PULLEY, ALTERNATOR
27443COVER, ALTERNATOR BEARING
27446CLIP, ALTERNATOR CORD
27700AREGULATOR ASSY, GENERATOR
9006800001
main90068-00001
9006800002
main90068-00002
9006800003
main90068-00003
9006804001
main90068-04001
9008017021
main90080-17021
9009900195
main90099-00195
9009900197
main90099-00197
9009900243
main90099-00243
9009900246
main90099-00246
9009904966
main90099-04966
9009905119
main90099-05119
9009905171
main90099-05171
9009905172
main90099-05172
9331914025
main93319-14025
34 parts on this diagram · 1 diagram in section