E
ToyotaEPC

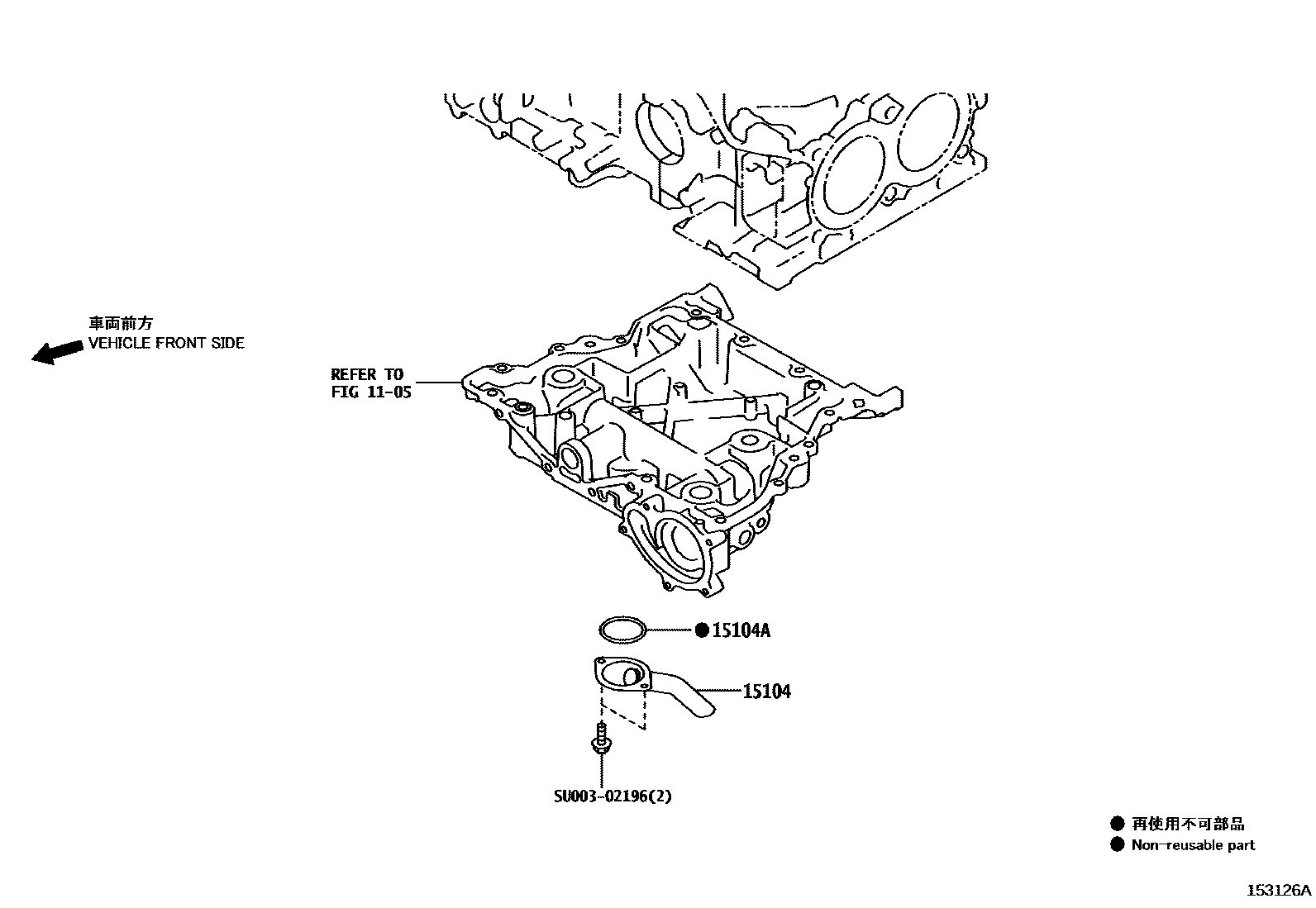
Toyota 86ENGINE OIL PUMP

Parts diagram
1105CYLINDER BLOCK
15104STRAINER SUB-ASSY, OIL
mainSU00300305i201608-201709
15104ARING, O(FOR OIL STRAINER)
mainSU00302192i201608-201709
SU00302196

4 parts on this diagram · 1 diagram in section

ENGINE OIL PUMP for Toyota 86

This section contains 4 genuine Toyota parts for the ENGINE OIL PUMP system of the Toyota 86. Key components include: CYLINDER BLOCK, STRAINER SUB-ASSY, OIL, RING, O(FOR OIL STRAINER).