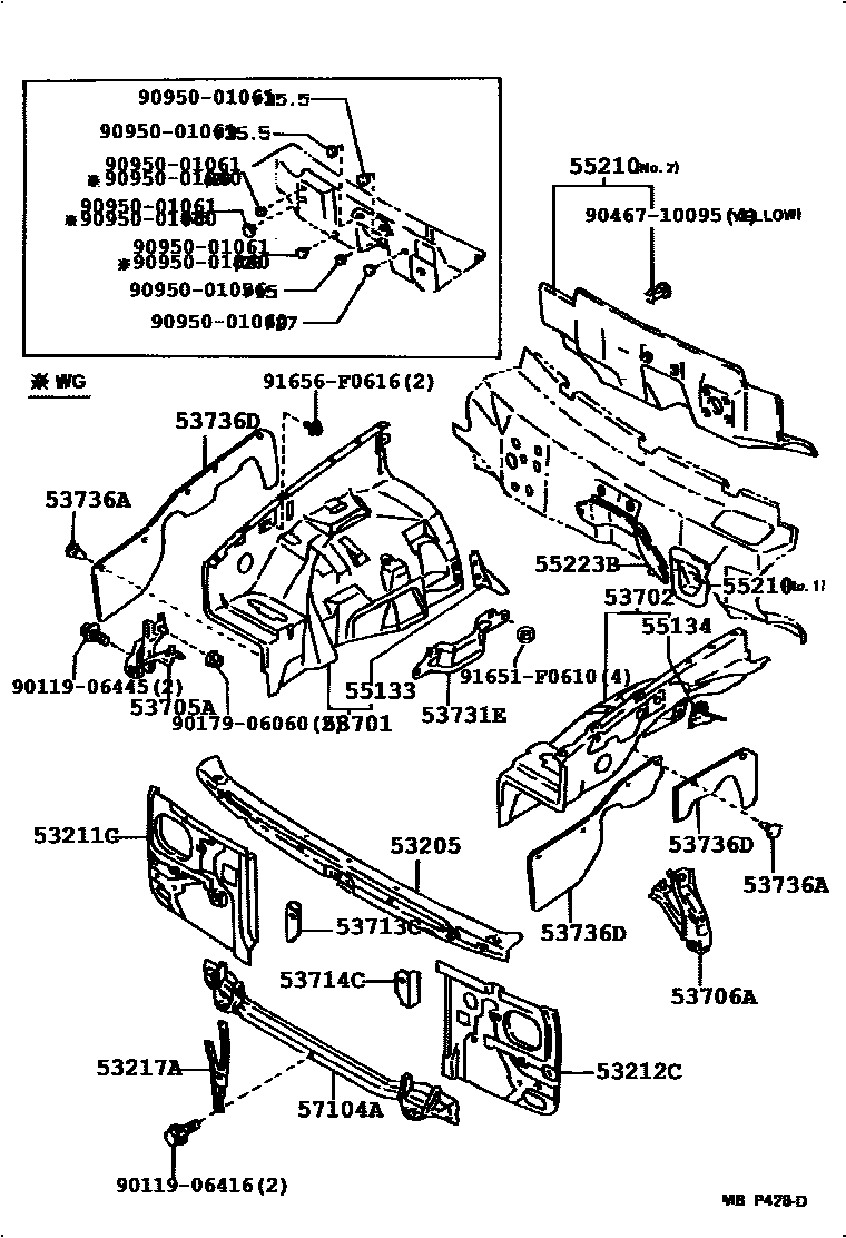
Toyota 4-RUNNER TRUCK (NAP) — FRONT FENDER APRON & DASH PANEL

53205SUPPORT SUB-ASSY, RADIATOR, UPPER
53211CSUPPORT, RADIATOR, RH
53212CSUPPORT, RADIATOR, LH
53217ABRACE, HOOD LOCK SUPPORT
53701APRON SUB-ASSY, FRONT FENDER, RH
W(*ADD)
W(*ADD)
53702APRON SUB-ASSY, FRONT FENDER, LH
W(CRUISE CONTROL)
W(POWER STEERING)
W(CRUISE CONTROL)
53705ABRACE SUB-ASSY, FENDER APRON, RH
53706ABRACE SUB-ASSY, FENDER APRON, LH
53713CEXTENSION, FRONT FENDER APRON, FRONT RH
53714CEXTENSION, FRONT FENDER APRON, FRONT LH
53731EPATCH, FRONT FENDER APRON
53736ACLIP(FOR FRONT FENDER APRON SEAL)
53736DSEAL, FENDER APRON
MARK=KK,(L)
MARK=II
55133PLATE, FRONT FENDER APRON SET, LOWER RH
55134PLATE, FRONT FENDER APRON SET, LOWER LH
55210INSULATOR ASSY, DASH PANEL
NO.1,(L)
NO.2,(L)
NO.1,(J)
55223BINSULATOR, DASH PANEL HEAT, NO.1
57104AMEMBER SUB-ASSY, FRONT CROSS
9011906416
main90119-06416
9011906445
main90119-06445
9017906060
main90179-06060
9046710095
main90467-10095
9095001056
main90950-01056
9095001060
main90950-01060
9095001061
main90950-01061
91651F0610
main91651-F0610
91656F0616
main91656-F0616
27 parts on this diagram · 3 diagrams in section