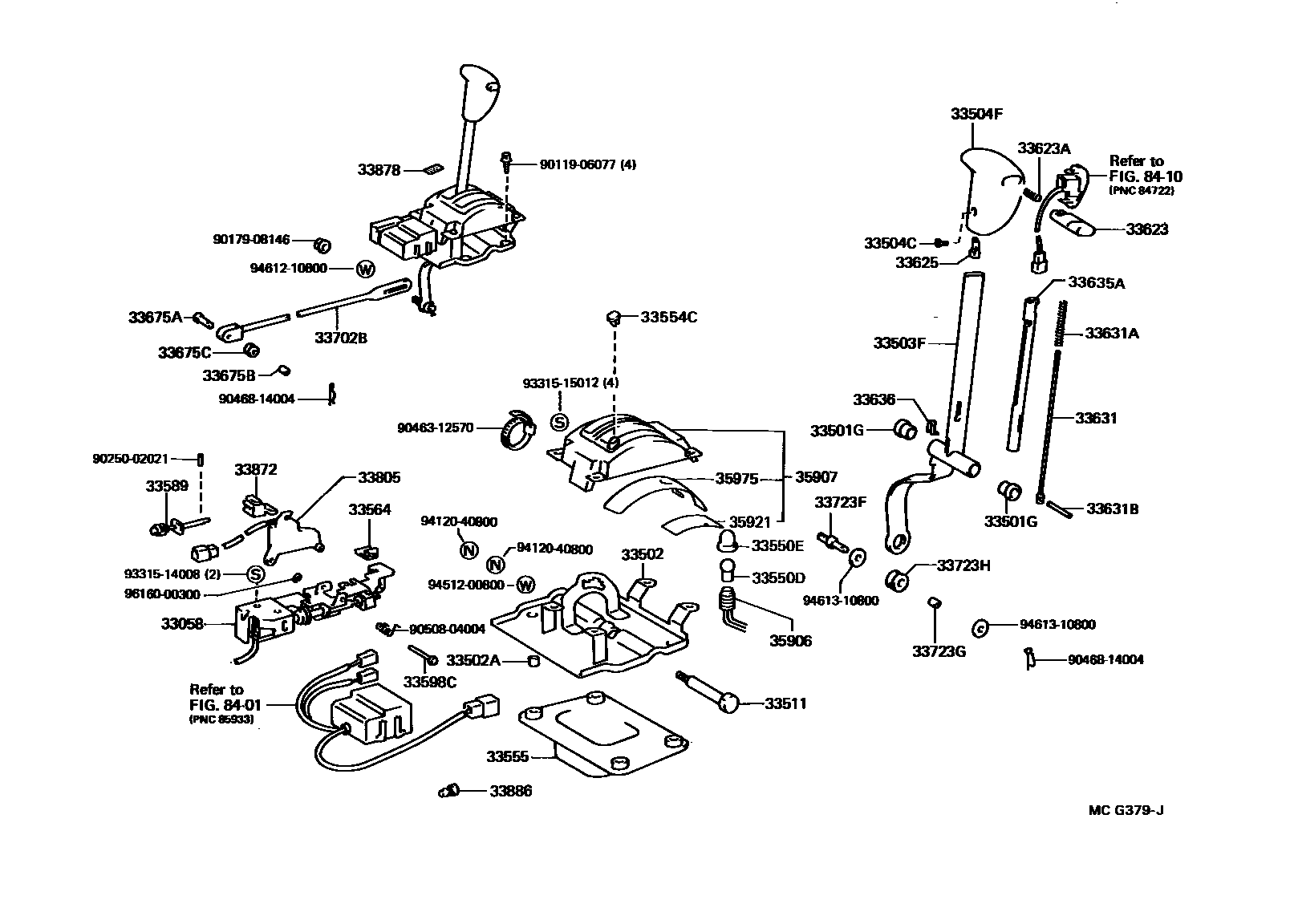
Toyota 4-RUNNER TRUCK (JPP) — SHIFT LEVER & RETAINER

33058BRACKET SUB-ASSY, SHIFT LOCK SOLENOID
33501GBUSH (FOR FLOOR SHIFT CONTROL SHAFT)
33502PLATE SUB-ASSY, SHIFT LEVER
33502ACOLLAR (FOR FLOOR SHIFT SETTING)
OD=8.8
33503FLEVER SUB-ASSY, SHIFT(FOR FLOOR SHIFT)
33504CSCREW (FOR SHIFT LEVER KNOB SETTING)
33504FKNOB SUB-ASSY, SHIFT LEVER
W(3 SPOKE URETHAN W/LEATHER),MAROON,TRIM3#
sub33504-22140
W(3 SPOKE URETHAN W/LEATHER),GRAY,TRIM1#
sub33504-22140
W(3 SPOKE URETHAN W/LEATHER),BLUE,TRIM8#
sub33504-22140
W(3 SPOKE URETHAN W/LEATHER),BROWN,TRIM4#
sub33504-22140
33511SHAFT, CONTROL (FOR FLOOR SHIFT)
33550DBULB, POSITION INDICATOR LAMP
12V 3.4W
33550ECAP, POSITION INDICATOR LAMP
33554CCOVER, SHIFT LOCK RELEASE BUTTON
33555BOOT, SHIFT LEVER
33589LINK, SHIFT LOCK SOLENOID
33598CPIN (FOR FLOOR SHIFT LOCK SOLENOID BRACKET)
33623BUTTON, SHIFT LEVER KNOB
33623ASPRING, COMPRESSION (FOR SHIFT LEVER KNOB BUTTON)
33625SLEEVE, SHIFT LEVER KNOB
33631ROD, DETENT
33631ASPRING, COMPRESSION (FOR DETENT ROD)
33631BPIN, SLOTTED SPRING (FOR DETENT ROD)
33635AGUIDE, WIRE, NO.1 (FOR SHIFT LEVER)
33636GUIDE, WIRE, NO.2 (FOR SHIFT LEVER)
33675APIN, W/HOLE (FOR TRANSMISSION CONTROL ROD)
33675BBUSH (FOR TRANSMISSION CONTROL ROD)
33675CGROMMET (FOR TRANSMISSION CONTROL ROD)
33702BROD SUB-ASSY, GEAR SHIFTING, NO.1 (FOR FLOOR SHIFT)
33723FSWIVEL, CONNECTING ROD (FOR FLOOR SHIFT)
33723GBUSH (FOR FLOOR SHIFT CONTROL SHAFT)
33723HGROMMET (FOR FLOOR SHIFT CONTROL SHAFT)
33805PLATE SUB-ASSY, SHIFT LOCK (FOR FLOOR SHIFT)
33872LINK, SHIFT LOCK RELEASE, NO.2
33878LABEL, SHIFT LOCK INFORMATION, NO.2
33886STOPPER, SHIFT LEVER
35906WIRE SUB-ASSY, INDICATOR LAMP
sub35906-20030
35907HOUSING SUB-ASSY, POSITION INDICATOR (FOR FLOOR SHIFT)
35975COVER, SLIDE (FOR POSITION INDICATOR)
8401
8410
9011906077
main90119-06077
9017908146
main90179-08146
9025002021
main90250-02021
9046312570
main90463-12570
9046814004
main90468-14004
9050804004
main90508-04004
9331514008
main93315-14008
9331515012
main93315-15012
9412040800
main94120-40800
9451200800
main94512-00800
9461210800
main94612-10800
9461310800
main94613-10800
9616000300
main96160-00300
53 parts on this diagram · 5 diagrams in section