Toyota 4-RUNNER TRUCK (JPP) — EXHAUST GAS RECIRCULATION SYSTEM

1708
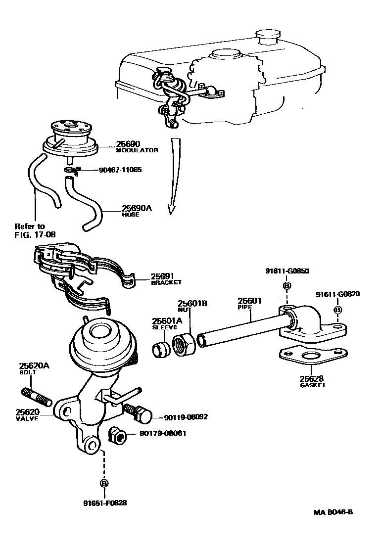
25601PIPE SUB-ASSY, EGR, NO.1
CALIFORNIA SPEC
25601ASLEEVE, BALL, EGR PIPE, NO.1
25601BNUT, UNION, EGR PIPE, NO.1
25620ABOLT, STUD(FOR EGR VALVE)
25690MODULATOR ASSY, EGR VACUUM
CALIFORNIA SPEC
25690AHOSE(FOR EGR VACUUM MODULATOR)
25691BRACKET, EGR VACUUM MODULATOR
9011908092
main90119-08092
9017908061
main90179-08061
9046711085
main90467-11085
91611G0820
main91611-G0820
91611G0850
main91611-G0850
91651F0828
main91651-F0828
16 parts on this diagram · 3 diagrams in section