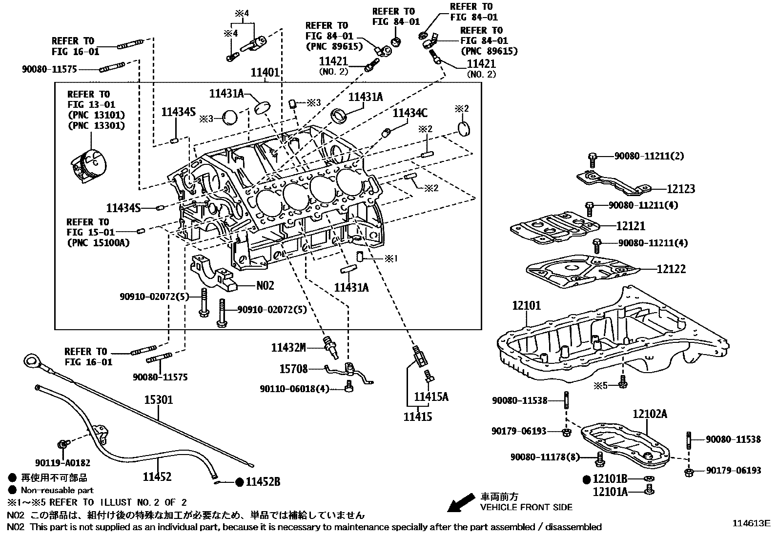
CYLINDER BLOCK

11415COCK SUB-ASSY, WATER DRAIN(FOR CYLINDER BLOCK)
11415APLUG, WATER DRAIN COCK(FOR CYLINDER BLOCK)
11421BOLT, STUD(FOR OIL PAN)
NO.1
NO.2
11431APLUG, TIGHT, NO.1(FOR CYLINDER BLOCK)
11432MUNION(FOR CYLINDER BLOCK)
11434CPIN, STRAIGHT (FOR CYLINDER HEAD SET)
L=18,OD=8
L=20,OD=16
11452GUIDE, OIL LEVEL GAGE
11452BRING, O(FOR OIL LEVEL GAGE GUIDE)
12101PAN SUB-ASSY, OIL
12101APLUG(FOR OIL PAN DRAIN)
12101BGASKET(FOR OIL PAN DRAIN PLUG)
12102APAN SUB-ASSY, OIL, NO.2
12121PLATE, OIL PAN BAFFLE, NO.1
(L)
(J)
12122PLATE, OIL PAN BAFFLE, NO.2
12123PLATE, OIL PAN BAFFLE NO.3
1301
1501
1601
8401
9008011178
main90080-11178
9008011211
main90080-11211
9008011538
main90080-11538
9008011575
main90080-11575
9011006018
main90110-06018
90119A0182
main90119-A0182
9017906193
main90179-06193
9091002072
main90910-02072
31 parts on this diagram · 5 diagrams in section