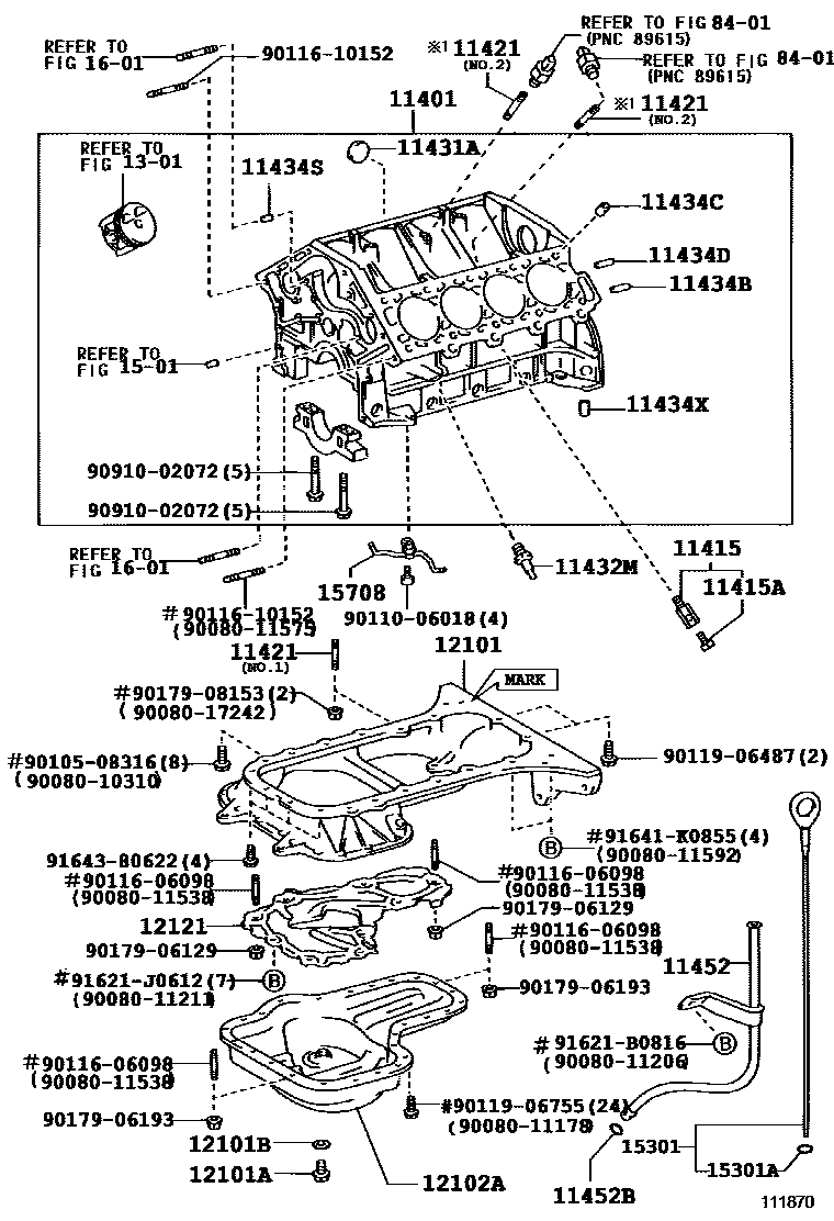
CYLINDER BLOCK

11401BLOCK SUB-ASSY, CYLINDER
E/G NO.= TO 5218273
E/G NO.= TO 5218273
E/G NO.= FROM5218274
E/G NO.= FROM5218274
11415COCK SUB-ASSY, WATER DRAIN(FOR CYLINDER BLOCK)
11415APLUG, WATER DRAIN COCK(FOR CYLINDER BLOCK)
11421BOLT, STUD(FOR OIL PAN)
(L)
(J)
NO.2
11431APLUG, TIGHT, NO.1(FOR CYLINDER BLOCK)
11432MUNION(FOR CYLINDER BLOCK)
11434BPIN, STRAIGHT(FOR CLUTCH HOUSING SET)
L=22,OD=10
L=22,OD=10,(L)
11434CPIN, STRAIGHT (FOR CYLINDER HEAD SET)
L=20,OD=16
L=20,OD=16,(L)
11434DPIN, STRAIGHT(FOR ENGINE REAR OIL SEAL)
L=14,OD=6
L=14,OD=6,(L)
11434SPIN, RING(FOR WATER PUMP SET)
(J)
(L)
11434XPIN, RING(FOR CHAIN CACE)
(J)
(L)
11452GUIDE, OIL LEVEL GAGE
11452BRING, O(FOR OIL LEVEL GAGE GUIDE)
12101PAN SUB-ASSY, OIL
(L)
(L)
(J)
(J)
12101APLUG(FOR OIL PAN DRAIN)
12101BGASKET(FOR OIL PAN DRAIN PLUG)
12102APAN SUB-ASSY, OIL, NO.2
(L)
(J)
12121PLATE, OIL PAN BAFFLE, NO.1
1301CRANKSHAFT & PISTON
1501ENGINE OIL PUMP
15301GAGE SUB-ASSY, OIL LEVEL
(L)
(J)
15301ARING, O(FOR OIL LEVEL GAGE)
15708NOZZLE SUB-ASSY, OIL, NO.1
1601WATER PUMP
8401SWITCH & RELAY & COMPUTER
9008010310
main90080-10310
9008011178
main90080-11178
9008011206
main90080-11206
9008011211
main90080-11211
9008011538
main90080-11538
9008011575
main90080-11575
9008011592
main90080-11592
9008017242
main90080-17242
9010508316
main90105-08316
9011006018
main90110-06018
9011606098
main90116-06098
9011610152
main90116-10152
9011906487
main90119-06487
9011906755
main90119-06755
9017906129
main90179-06129
9017906193
main90179-06193
9017908153
main90179-08153
9091002072
main90910-02072
91621B0816
main91621-B0816
91621J0612
main91621-J0612
91641K0855
main91641-K0855
9164380622
main91643-80622
47 parts on this diagram · 1 diagram in section