TELEPHONE & MAYDAY

8604ANTENNA
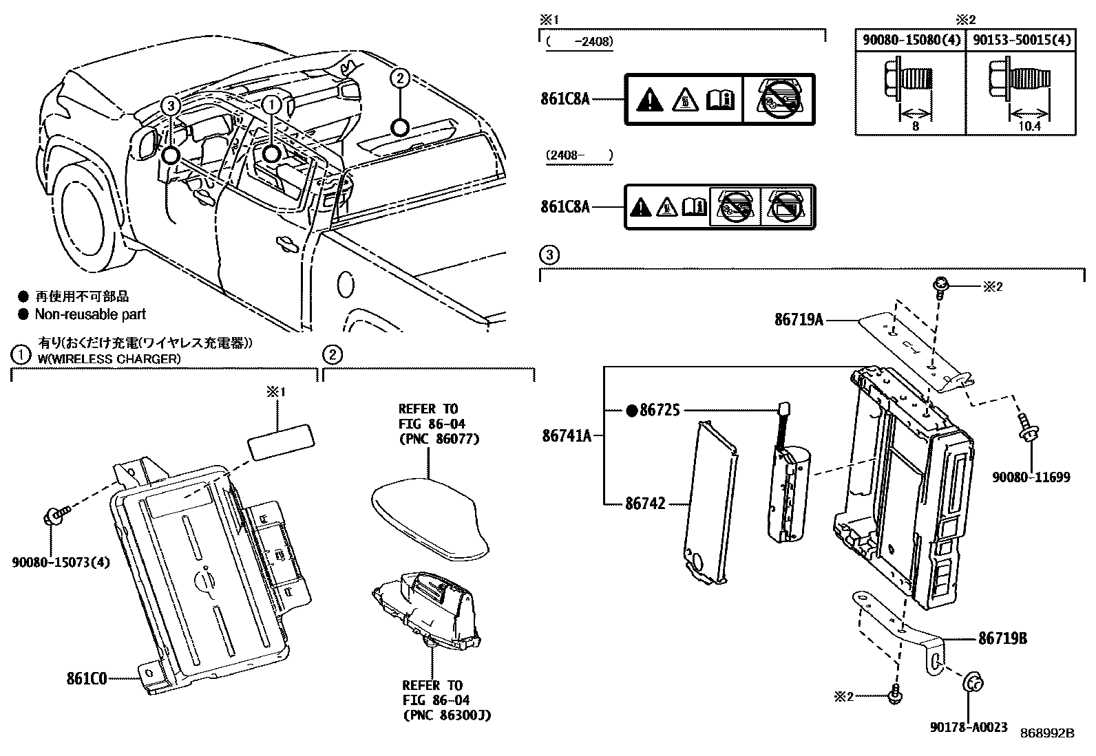
861C0CRADLE ASSY, MOBILE WIRELESS CHARGER
WIRELESS CHARGER-WITH
WIRELESS CHARGER-WITH
861C8ALABEL, MOBILE WIRELESS CHARGER CAUTION
WIRELESS CHARGER-WITH
WIRELESS CHARGER-WITH
86719ABRACKET, TELEPHONE NO.1
86719BBRACKET, TELEPHONE NO.2
86725BATTERY, MOBILEPHONE
86741ATRANSCEIVER, TELEMATICS
86742COVER, TRANSCEIVER
9008011699
main90080-11699
9008015073
main90080-15073
9008015080
main90080-15080
9015350015
main90153-50015
90178A0023
main90178-A0023
13 parts on this diagram · 2 diagrams in section