23954ABRACKET, CHARCOAL CANISTER, NO.1
main77751-0C100supersedes 77751-0C090iV35AFTS..VXKA70,75..CMAX..(L,Z)202308 23954BBRACKET, CHARCOAL CANISTER, NO.2
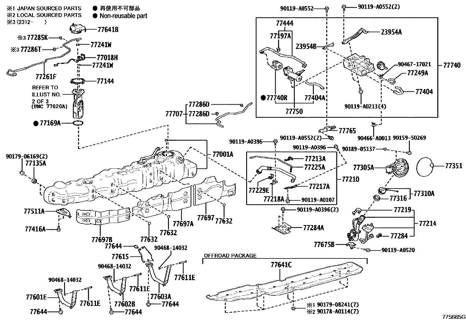
77001ATANK SUB-ASSY, FUEL
main77001-0C160supersedes 77001-0C170iVXKA71..Z202111-202408 77018HVALVE SUB-ASSY, FUEL VAPOR SEPARATE
main77018-0C021iVXKA70,75..DCB..L;VXKA71,VXKH71,80..Z202111-202408 77135APROTECTOR, FUEL TANK SIDE
main77135-0C030×2iVXKA70,75..DCB..L;VXKA71,VXKH71,80..Z202111-202408 77144RETAINER, FUEL PUMP GAUGE
main77144-06040iVXKA70,75..DCB..L;VXKA71,VXKH71,80..Z202111-202408 77169AGASKET, FUEL SUCTION TUBE SET
77197ACLAMP, EVAPORATION VENT TUBE, NO.2
77210PIPE ASSY, FUEL TANK FILLER
main77210-0C010iVXKA71,VXKH71..Z;VXKA70,75..DCB..L202111-202408 77213ASUPPORT, FUEL TANK FILLER PIPE
main77216-0C100iVXKA70,75..DCB..L;VXKA71,VXKH71,80..Z202111-202408 77214PIPE, FUEL TANK FILLER
main77210-0C050iVXKA70,75..DCB..S;VXKA71,72,77,VXKH71..L,S;VXKA70,75,76,VXKH70,75,76..CMAX202111 77217ASUPPORT, FUEL TANK FILLER PIPE, NO.2
main77217-0C130iVXKA71,VXKH71..Z;VXKA70,75..DCB..L202111-202408 77218ASUPPORT, FUEL TANK FILLER PIPE, NO.3
main77218-0C050iVXKA70,75..DCB..L;VXKA71,VXKH71,80..Z202111-202408 77219COVER, FUEL TANK FILLER PIPE
main77219-0R020iVXKA70,75..DCB..L;VXKA71,VXKH71,80..Z202111-202408 77225ATUBE, FUEL TANK BREATHER, NO.5
main77225-0C060iVXKA71,VXKH71..Z;VXKA70,75..DCB..L202111-202408 77229ECLAMP, BREATHER TUBE
main77229-0C030iVXKA70,75..DCB..L;VXKA71,VXKH71,80..Z202111-202408 77241WCLIP, TUBE JOINT
main77241-06020×2iVXKA71..Z;VXKA70,75..DCB..L202111-202408 77249AHOSE, FUEL EMISSION
main77249-0C050supersedes 77249-0C040iVXKA70,75..CMAX..(L,Z)202308 77261FHOSE, FUEL, NO.2 (FOR FUEL TANK TO CANISTER TUBE)
main77209-0C180iVXKA7#,VXKH7#; VXKA70,75; VXKA72,77202111-202306 FUEL TANK-122L & LEV3; FUEL TANK-85L & LEV3
main77209-0C181iVXKA7#,VXKH7#; VXKA70,75..S; VXKA72,77202306-202312 FUEL TANK-122L & LEV3; FUEL TANK-85L & LEV3
main77209-0C182iVXKA71,VXKH71..Z;VXKA70,75..DCB..L202312-202408 77284CLAMP, FUEL TUBE
main77285-0C160iVXKA71,VXKH71..Z;VXKA70,75..DCB..L202111-202408 77284APROTECTOR, FUEL TUBE, NO.3
main77284-0C010iVXKA70,75..DCB..L;VXKA71,VXKH71,80..Z202111-202408 77285KCLAMP, FUEL TUBE, NO.1
main77285-0C070iVXKA71,VXKH71..Z;VXKA70,75..DCB..L202312-202408 77286DCLAMP, FUEL TUBE, NO.2
main77286-0C050×2iVXKA70,75..DCB..L;VXKA71,VXKH71,80..Z202111-202408 77286TCLAMP, FUEL TUBE, NO.11
main77286-0C100iVXKA71,VXKH71..Z;VXKA70,75..DCB..L202312-202408 77305ALID SUB-ASSY, FUEL FILLER OPENING
main77305-0C070iVXKA71..L,S;VXKA70,75..DCB..S;VXKA70,75,76..CMAX202111 77310ACAP ASSY, FUEL TANK
main77300-07040iVXKA71,72,77..L,S;VXKA70,75..DCB..S;VXKA70,75,76..CMAX202111 77316GASKET, FUEL TANK CAP
main77316-06090iVXKA70,75..DCB..L;VXKA71,VXKH71,80..Z202111-202408 77351LID, FUEL FILLER OPENING, OUTER
main77351-0C140iVXKA71..Z;VXKA70,75..DCB..L202111-202408 77404HOSE SUB-ASSY, FUEL TANK VENT
77404AHOSE SUB-ASSY, FUEL TANK VENT
77416ABOLT, FUEL TANK
main90119-A0588×2iVXKA70,75..DCB..L;VXKA71,VXKH71,80..Z202111-202408 77444HOSE, FUEL TANK VENT
main77404-0C130supersedes 77404-0C100iVXKA70,75..CMAX..(L,Z)202308-202412 main77404-0C131supersedes 77404-0C100iVXKA76;VXKA71,72,77..L,S;VXKA70,75..CMAX..(L,Z)202412 77511ABRACKET, FUEL TANK
main77511-0C050supersedes 77511-0C060iVXKA70,75..CMAX..(L,Z)202308 main77511-0C080iVXKA76,VXKH76;VXKA71,72,77,VXKH71..L,S202111 TRD OFFROAD PACKAGE; TRD PRO PACKAGE
77601EBAND SUB-ASSY, FUEL TANK
main77601-0C160iVXKA76,VXKH70,75,76;VXKA71,72,77,VXKH71..L,S202111 main77601-0C150iVXKA70..S; VXKA71,VXKH70,71..L,S202111-202409 TRD OFFROAD PACKAGE; TRD OFFROAD PACKAGE&FUEL TANK-122L & LEV3
77602BBAND SUB-ASSY, FUEL TANK, NO.1 LH
main77602-0C170iVXKA70,75..DCB..L;VXKA71,VXKH71,80..Z202111-202408 main77602-0C060iVXKA70..DCB..S;VXKA70,71,VXKH70,71..CMAX..(L,S); VXKA70..S202111-202409 TRD OFFROAD PACKAGE; TRD OFFROAD PACKAGE&FUEL TANK-122L & LEV3
77603ABAND SUB-ASSY, FUEL TANK, NO.2
main77603-0C070iVXKA70,75..DCB..L;VXKA71,VXKH71,80..Z202111-202408 HERITAGE PACKAGE&FUEL TANK-122L & LEV3
77611EPIN, FUEL TANK BAND
main77653-34060×2iVXKA71,VXKH71..Z; VXKH80..Z202111-202408 77615BRACKET, FUEL TANK BAND, NO.3
main77615-0C020iVXKA70,75..DCB..S;VXKA71,72,77,VXKH71..L,S;VXKA70,75,76,VXKH70,75,76..CMAX202111 77632BRACKET, FUEL TANK, NO.2
main77512-35140×9iVXKA71,VXKH71..Z; VXKH80..Z202111-202408 77641BCOVER, FUEL TANK
main77641-0C040iVXKA70,75..DCB..L;VXKA71,VXKH71,80..Z202111-202408 77641CPROTECTOR ASSY, FUEL TANK
main77606-0C090iVXKA70..S; VXKA71..S;VXKH70,71..L202111-202409 TRD OFFROAD PACKAGE; TRD OFFROAD PACKAGE&FUEL TANK-122L & LEV3
77644BOLT, FUEL TANK
main90119-A0520×4iVXKA71,VXKH71..Z; VXKH80..Z202111-202408 77675BBRACKET, FUEL TANK FILLER PIPE PROTECTOR, NO.1
main77282-0C010iVXKA70,75..DCB..S;VXKA71,72,77,VXKH71..L,S;VXKA70,75,76,VXKH70,75,76..CMAX202111 77697INSULATOR, FUEL TANK HEAT, NO.1
main77697-0C070iVXKA70,75..DCB..S;VXKA71,72,77,VXKH71,80..L,S;VXKA70,75,76,VXKH70,75,76,85..CMAX,SRF202111 77697AINSULATOR, FUEL TANK HEAT, NO.2
main77698-0C010supersedes 77698-0C020iVXKA70,75..CMAX..(L,Z)202308 77697BINSULATOR, FUEL TANK HEAT, NO.3
77707TUBE SUB-ASSY, CHARCOAL CANISTER OUTLET
main77707-0C040iVXKA70,75..DCB..S;VXKA71,72,77,VXKH71..L,S;VXKA70,75,76,VXKH70,75,76..CMAX202111 77740CANISTER ASSY, CHARCOAL
main77740-0C130supersedes 77740-0C150iVXKA70,75..CMAX..(L,Z)202308-202412 main77740-0C131supersedes 77740-0C150iVXKA76;VXKA71,72,77..L,S;VXKA70,75..CMAX..(L,Z)202412 77740RPUMP SUB-ASSY, LEAK DETECTION
main90910-AF006iVXKA70,75..DCB..L;VXKA71,VXKH71,80..Z202111-202408 77750CANISTER ASSY, CHARCOAL
main77730-0C050supersedes 77730-0C030iVXKA70,75..DCB..L202308-202408 77765PROTECTOR, CHARCOAL CANISTER
main77750-0C010iVXKA70,75..DCB..L;VXKA71,VXKH71,80..Z202111-202408