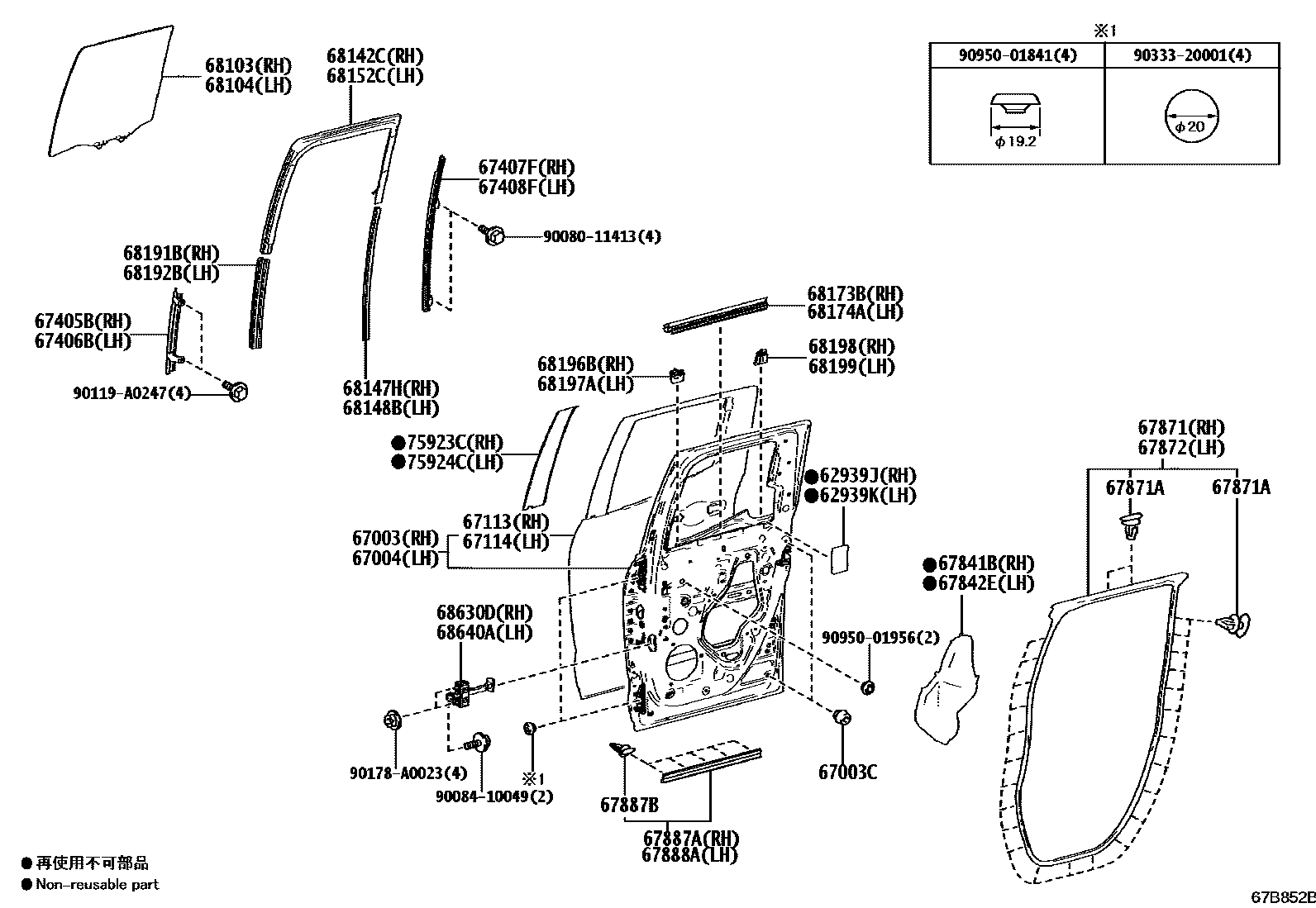
REAR DOOR PANEL & GLASS

62939JSILENCER, REAR DOOR VENT, RH
62939KSILENCER, REAR DOOR VENT, LH
67003PANEL SUB-ASSY, REAR DOOR, RH
67003CCUSHION, REAR DOOR PANEL
main90541-09069×4iVXKA70,75..DCB..S;VXKA71,72,77,VXKH71,80..L,S;VXKA70,75,76,VXKH70,75,76,85..CMAX,SRF202111
67004PANEL SUB-ASSY, REAR DOOR, LH
67113PANEL, REAR DOOR, OUTER RH
67114PANEL, REAR DOOR, OUTER LH
67405BGUIDE SUB-ASSY, REAR DOOR WINDOW, FRONT RH
67406BGUIDE SUB-ASSY, REAR DOOR WINDOW, FRONT LH
67407FFRAME SUB-ASSY, REAR DOOR WINDOW, REAR LOWER RH
67408FFRAME SUB-ASSY, REAR DOOR WINDOW, REAR LOWER LH
67841BCOVER, REAR DOOR SERVICE HOLE
67842ECOVER, REAR DOOR SERVICE HOLE, LH
67871WEATHERSTRIP, REAR DOOR, RH
67871ARETAINER(FOR REAR DOOR WEATHERSTRIP)
main67867-12150×62iVXKA70,72,75,77..DCB..S; VXKA71,VXKH71..L,S;VXKA70,75,76,VXKH70,75,76..CMAX202111
67872WEATHERSTRIP, REAR DOOR, LH
67887AWEATHERSTRIP, REAR DOOR, NO.2 RH
67887BCLIP(FOR REAR DOOR WEATHERSTRIP)
67888AWEATHERSTRIP, REAR DOOR, NO.2 LH
68103GLASS SUB-ASSY, REAR DOOR, RH
68104GLASS SUB-ASSY, REAR DOOR, LH
68142CRUN, REAR DOOR GLASS, RH
68147HRUN, REAR DOOR GLASS, NO.3 RH
68148BRUN, REAR DOOR GLASS, NO.3 LH
68152CRUN, REAR DOOR GLASS, LH
68173BWEATHERSTRIP, REAR DOOR GLASS, INNER RH
68174AWEATHERSTRIP, REAR DOOR GLASS, INNER LH
68191BRUN, REAR DOOR GLASS, NO.2 RH
68192BRUN, REAR DOOR GLASS, NO.2 LH
68196BSEAL, REAR DOOR BELT, FRONT RH
68197ASEAL, REAR DOOR BELT, FRONT LH
68198SEAL, REAR DOOR BELT, REAR RH
68199SEAL, REAR DOOR BELT, REAR LH
68630DCHECK ASSY, REAR DOOR, RH
68640ACHECK ASSY, REAR DOOR, LH
75923CTAPE, BLACK OUT, NO.2 RH
TIRE & DISC WHEEL-245/75R18, 7.5J
75924CTAPE, BLACK OUT, NO.2 LH
TIRE & DISC WHEEL-245/75R18, 7.5J
9008011413
main90080-11413
9008410049
main90084-10049
90119A0247
main90119-A0247
90178A0023
main90178-A0023
9033320001
main90333-20001
9095001841
main90950-01841
9095001956
main90950-01956
44 parts on this diagram · 6 diagrams in section