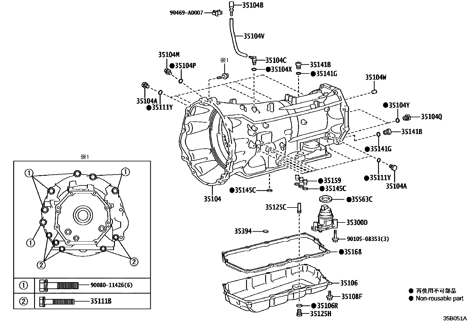
TRANSMISSION CASE & OIL PAN (ATM)

35104CASE SUB-ASSY, AUTOMATIC TRANSMISSION
35104APLUG, AUTOMATIC TRANSMISSION CASE
35104BPLUG, BREATHER, NO.1 (ATM)
35104CPLUG, BREATHER, NO.2 (ATM)
35104MPLUG, REFILL(ATM)
35104PGASKET, REFILL PLUG(ATM)
main90430-18008iVXKA70,75..DCB..S;VXKA71,72,77,VXKH71,80..L,S;VXKA70,75,76,VXKH70,75,76,85..CMAX,SRF202111
35104QPLUG, NO.1 (FOR TRANSAXLE CASE)
35104VHOSE (FOR BREATHER PLUG)
35104WPIN, STRAIGHT (FOR TRANSAXLE CASE)
35104XRING, O (FOR BREATHER PLUG)
35104YRING, O (FOR AUTOMATIC TRANSMISSION CASE)
35106PAN SUB-ASSY, AUTOMATIC TRANSMISSION OIL
35106RGASKET (FOR AUTOMATIC TRANSMISSION OIL PAN)
35108FBOLT, W/WASHER
main90119-06A34×13iVXKA70,75..DCB..S;VXKA71,72,77,VXKH71,80..L,S;VXKA70,75,76,VXKH70,75,76,85..CMAX,SRF202111
35111BBOLT (FOR TRANSMISSION HOUSING & ENGINE SETTING)
*10-1.25PX45-30
35111YRING, O (FOR AUTOMATIC TRANSMISSION CASE)
35125CTUBE, TRANSMISSION OIL FILLER, NO.1
35125HPLUG, OVERFLOW(ATM)
35141BPLUG (FOR AUTOMATIC TRANSMISSION CASE)
35141GRING, O (FOR AUTOMATIC TRANSMISSION CASE)
35145CGASKET, TRANSAXLE CASE
main35145-11020×4iVXKA70,75..DCB..S;VXKA71,72,77,VXKH71,80..L,S;VXKA70,75,76,VXKH70,75,76,85..CMAX,SRF202111
35159GASKET, BRAKE DRUM
35168GASKET, AUTOMATIC TRANSMISSION OIL PAN
35300DPUMP ASSY, OIL W/MOTOR
35394MAGNET, OIL CLEANER (FOR TRANSMISSION)
35563CSEAL, OIL PUMP
9008011426
main90080-11426
9010508353
main90105-08353
90469A0007
main90469-A0007
29 parts on this diagram · 4 diagrams in section