HEATING & AIR CONDITIONING - HEATER UNIT & BLOWER

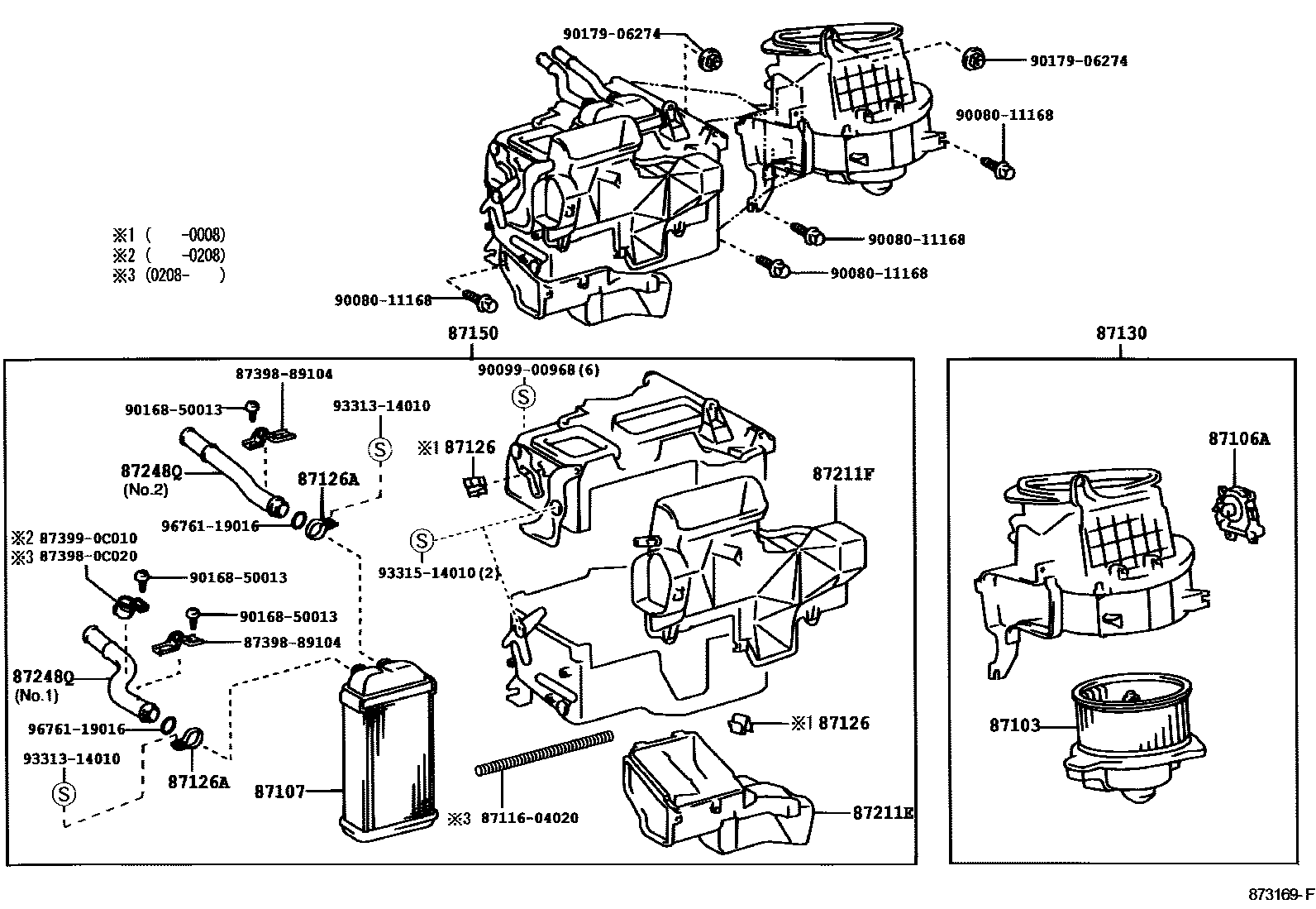
87103MOTOR SUB-ASSY, HEATER BLOWER, W/FAN
87106ASERVO SUB-ASSY, DAMPER
87107UNIT SUB-ASSY, HEATER RADIATOR
87126CLAMP, HEATER CONTROL
87126ACLAMP, HEATER CONTROL
87130BLOWER ASSY, HEATER, FRONT
87150RADIATOR ASSY, HEATER
87211EDUCT, AIR
87211FDUCT, AIR
87248QPIPE, FRONT HEATER RADIATOR WATER
NO.1
NO.2
NO.1
NO.2
NO.1
NO.2
8711604020SPRING, HEATER CASE FASTENING
main87116-04020
873980C020BAND ASSY (FOR COMBUSTION HEATER)
main87398-0C020
8739889104BAND ASSY (FOR COMBUSTION HEATER)
main87398-89104
873990C010BAND ASSY (FOR COMBUSTION HEATER)
main87399-0C010
9008011168
main90080-11168
9009900968
main90099-00968
9016850013
main90168-50013
9017906274
main90179-06274
9331314010
main93313-14010
9331514010
main93315-14010
9676119016
main96761-19016
21 parts on this diagram · 2 diagrams in section