E
EPC Data

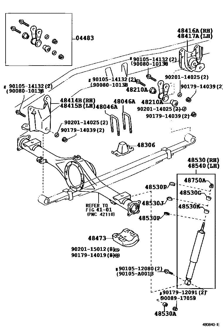
REAR SPRING & SHOCK ABSORBER

Parts diagram
04483SHACKLE KIT, REAR SPRING
main04483-0C010×2i200408-200501
main04483-0C030×2i200501
4101REAR AXLE HOUSING & DIFFERENTIAL
48046ABOLT, U(FOR REAR SPRING)
main90117-14044×4i200212-200408
L=165
main90117-14065×4i199902-200208
L=160
main90117-A0005×4i200601
L=165
48210SPRING ASSY, REAR RH
main48210-0C010i199902-200208
4-LEAF
main48210-0C011i200501-200608
4-LEAF
main48210-0C020i199902-200208
4-LEAF
main48210-0C040i200208-200408
4-LEAF
main48210-0C050i199902-200208
4-LEAF
main48210-0C060i200408-200412
4-LEAF
main48210-0C061i200501-200608
4-LEAF
main48210-0C070i200008-200208
4-LEAF,OFF ROAD PACKAGE
main48210-0C080i199902-200208
4-LEAF
main48210-0C081i200501
4-LEAF,W(REAR STABILIZER)
main48210-AF010i200208-200408
4-LEAF
main48210-AF030i200208-200408
4-LEAF
main48210-AF040i200208-200408
4-LEAF
main48210-AF041i200501
4-LEAF
main48210-AF050i200408-200412
4-LEAF,W(REAR STABILIZER)
main48210-AF051i200501
4-LEAF,W(REAR STABILIZER)
main48210-AF060i200408-200412
4-LEAF
main48210-AF061i200501
4-LEAF
main48210-AF070i200310-200311
4-LEAF
main48210-AF071i200408-200412
4-LEAF
main48210-AF072i200501
4-LEAF
main48210-AF080i200310-200311
4-LEAF
main48210-AF081i200311-200408
4-LEAF
main48210-AF082i200501
4-LEAF
main48210-AF090i200310-200311
4-LEAF,OFF ROAD PACKAGE
main48210-AF091i200311-200408
4-LEAF,OFF ROAD PACKAGE
main48210-AF092i200501
4-LEAF,OFF ROAD PACKAGE
main48210-AF100i200310-200311
4-LEAF
main48210-AF101i200311-200408
4-LEAF
main48210-AF102i200501
4-LEAF
main48210-AF110i200408-200412
4-LEAF
main48210-AF111i200501-200608
4-LEAF
main48210-AF120i200408-200412
4-LEAF
main48210-AF121i200501
4-LEAF
main48210-AF130i200408-200412
4-LEAF
main48210-AF131i200501
4-LEAF
main48210-AF140i200408-200412
4-LEAF
main48210-AF141i200501
4-LEAF
48210ABUSH(FOR REAR SPRING SHACKLE UPPER)
main90389-14053×4i200208-200408
main90389-A0006×4i200501
48306BUMPER SUB-ASSY, REAR SPRING
main48306-04010×2i199902-200208
48414BBRACKET, SPRING, NO.3 RH
main48414-34030i199902-200208
48415BBRACKET, SPRING, NO.3 LH
main48415-34030i199902-200208
48416ABRACKET, SPRING, NO.4 RH
main48416-0C010i200010-200208
main48416-34020i199902-200010
48417ABRACKET, SPRING, NO.4 LH
main48417-0C010i200010-200208
main48417-34010i199902-200010
48473SEAT, REAR SPRING U BOLT
main48473-34050×2i199902-200208
48530ABSORBER ASSY, SHOCK, REAR RH
main48531-09120i199902-200008
MARK 48531-AF010
main48531-09121i200008-200208
MARK 48531-AF010
main48531-09130i199902-200008
MARK 48531-AF020
main48531-09131i200008-200208
MARK 48531-AF020
main48531-09140i199906-200008
MARK 48531-AF030,BILSTEIN
main48531-09141i200008-200208
MARK 48531-AF030
main48531-09240i200208-200308
MARK 48531-AF070
main48531-09250i200208-200408
MARK 48531-AF080
main48531-09260i200208-200408
MARK 48531-AF060
main48531-09270i200208-200304
MARK 48531-AF090
main48531-09320i200310-200408
MARK 48531-AF100
main48531-09330i200408-200503
MARK 48531-AF110
main48531-09380i200304-200408
MARK 48531-AF031
main48531-09390i200304-200408
MARK 48531-AF091
main48531-09400i200310-200408
MARK 48531-AF121
main48531-A9070i200308-200408
MARK 48531-AF071
main48531-A9080i200408-200503
MARK 48531-AF180
main48531-A9090i200408-200503
MARK 48531-AF220
main48531-A9100i200408
MARK 48531-AF210
main48531-A9110i200408-200503
MARK 48531-AF190
main48531-A9120i200408-200503
MARK 48531-AF200
main48531-A9130i200503
MARK 48531-AF101
main48531-A9140i200503
MARK 48531-AF122
main48531-A9150i200503
MARK 48531-AF111
main48531-A9160i200503
MARK 48531-AF201
main48531-A9170i200503
MARK 48531-AF181
main48531-A9180i200503
MARK 48531-AF221
main48531-A9190i200503
MARK 48531-AF191
48530ABUSH(FOR REAR SHOCK ABSORBER)
main90903-89013i199902-200208
48530GCUSHION, REAR SHOCK ABSORBER, NO.1
main90948-01003×2i199902-200008
main90948-01084×2i200008-200208
48530JRETAINER, CUSHION, NO.1(FOR REAR SHOCK ABSORBER)
main90948-02181×2i199902-200208
48530KCUSHION, REAR SHOCK ABSORBER, NO.2
main90948-01045×2i200208-200408
48530PRETAINER, CUSHION, NO.2(FOR REAR SHOCK ABSORBER)
main90948-02131×4i200208-200408
48540ABSORBER ASSY, SHOCK, REAR LH
main48531-09120i199902-200008
MARK 48531-AF010
main48531-09121i200008-200208
MARK 48531-AF010
main48531-09130i199902-200008
MARK 48531-AF020
main48531-09131i200008-200208
MARK 48531-AF020
main48531-09140i199906-200008
MARK 48531-AF030,BILSTEIN
main48531-09141i200008-200208
MARK 48531-AF030
main48531-09240i200208-200308
MARK 48531-AF070
main48531-09250i200208-200408
MARK 48531-AF080
main48531-09260i200208-200408
MARK 48531-AF060
main48531-09270i200208-200304
MARK 48531-AF090
main48531-09320i200408-200503
MARK 48531-AF100
main48531-09330i200408-200503
MARK 48531-AF110
main48531-09380i200304-200408
MARK 48531-AF031
main48531-09390i200304-200408
MARK 48531-AF091
main48531-09400i200310-200408
MARK 48531-AF121
main48531-A9070i200308-200408
MARK 48531-AF071
main48531-A9080i200408-200503
MARK 48531-AF180
main48531-A9090i200408-200503
MARK 48531-AF220
main48531-A9100i200408
MARK 48531-AF210
main48531-A9110i200408-200503
MARK 48531-AF190
main48531-A9120i200408-200503
MARK 48531-AF200
main48531-A9130i200503
MARK 48531-AF101
main48531-A9140i200503
MARK 48531-AF122
main48531-A9150i200503
MARK 48531-AF111
main48531-A9160i200503
MARK 48531-AF201
main48531-A9170i200503
MARK 48531-AF181
main48531-A9180i200503
MARK 48531-AF221
main48531-A9190i200503
MARK 48531-AF191
48750ANUT(FOR REAR SUPPORT TO REAR SHOCK ABSORBER)
main94184-01041×2i199902-200208
9008010138
9008917059
9010512080
9010514132
90105A0013
9017912091
9017914019
9017914039
9020114025
9020115012

29 parts on this diagram · 4 diagrams in section

REAR SPRING & SHOCK ABSORBER — Toyota Parts Diagram with OEM Numbers & Prices | EPC Data