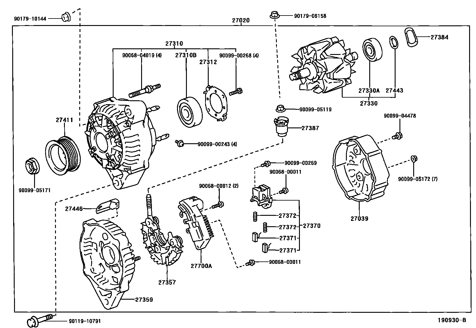
ALTERNATOR

27020ALTERNATOR ASSY
12V 70A
12V 100A
12V 130A
12V 100A
12V 100A
12V 80A
12V 80A
12V 70A
12V 80A
27039COVER, ALTERNATOR REAR END
12V 100A
12V 130A
12V 100A,130A
12V 100A
12V 130A
12V 70A
12V 80A
27310FRAME ASSY, DRIVE END, ALTERNATOR
12V 70A
12V 100A
12V 130A
12V 100A,130A
12V 100A
12V 100A
12V 130A
12V 80A
12V 70A
27310BBEARING(FOR ALTERNATOR DRIVE END FRAME)
12V 100A,130A
12V 130A
12V 100A
12V 80A
12V 70A
27312PLATE, RETAINER
12V 100A
12V 80A
12V 100A,130A
12V 70A
12V 100A
27330ROTOR ASSY, ALTERNATOR
12V 100A
12V 100A
12V 130A
12V 70A
12V 80A
27330ABEARING(FOR ALTERNATOR ROTOR)
12V 130A
12V 80A
12V 130A
12V 100A
12V 70A
27357HOLDER, ALTERNATOR, W/RECTIFIER
12V 100A
12V 80A
12V 70A
27359FRAME, ALTERNATOR RECTIFIER END
12V 100A
12V 100A
12V 70A
12V 80A
12V 70A
27370HOLDER ASSY, ALTERNATOR BRUSH
12V 100A,130A
12V 130A
12V 100A
12V 70A
12V 130A
12V 70A
12V 80A
12V 80A,100A
27371BRUSH, ALTERNATOR
27372SPRING, ALTERNATOR BRUSH
sub27372-87501
27384WASHER
12V 100A
12V 130A
12V 100A,130A
12V 70A
12V 80A
12V 130A
27387INSULATOR, TERMINAL
12V 100A
(L)
12V 130A
12V 100A
(J)
12V 80A,100A
12V 70A
27411PULLEY, ALTERNATOR
12V 100A,130A
12V 100A
12V 130A
12V 100A
12V 80A
12V 130A
12V 100A
12V 80A
12V 70A
12V 70A
12V 80A
27443COVER, ALTERNATOR BEARING
12V 100A
12V 130A
12V 100A,130A
12V 70A
12V 130A
27446CLIP, ALTERNATOR CORD
27700AREGULATOR ASSY, GENERATOR
12V 80A
12V 70A,80A,100A
12V 80A
12V 70A
9006800011
main90068-00011
9006800012
main90068-00012
9006804019
main90068-04019
9009900243
main90099-00243
9009900268
main90099-00268
9009900269
main90099-00269
9009904478
main90099-04478
9009905119
main90099-05119
9009905171
main90099-05171
9009905172
main90099-05172
9011910791
main90119-10791
9017906158
main90179-06158
9017910144
main90179-10144
31 parts on this diagram · 9 diagrams in section