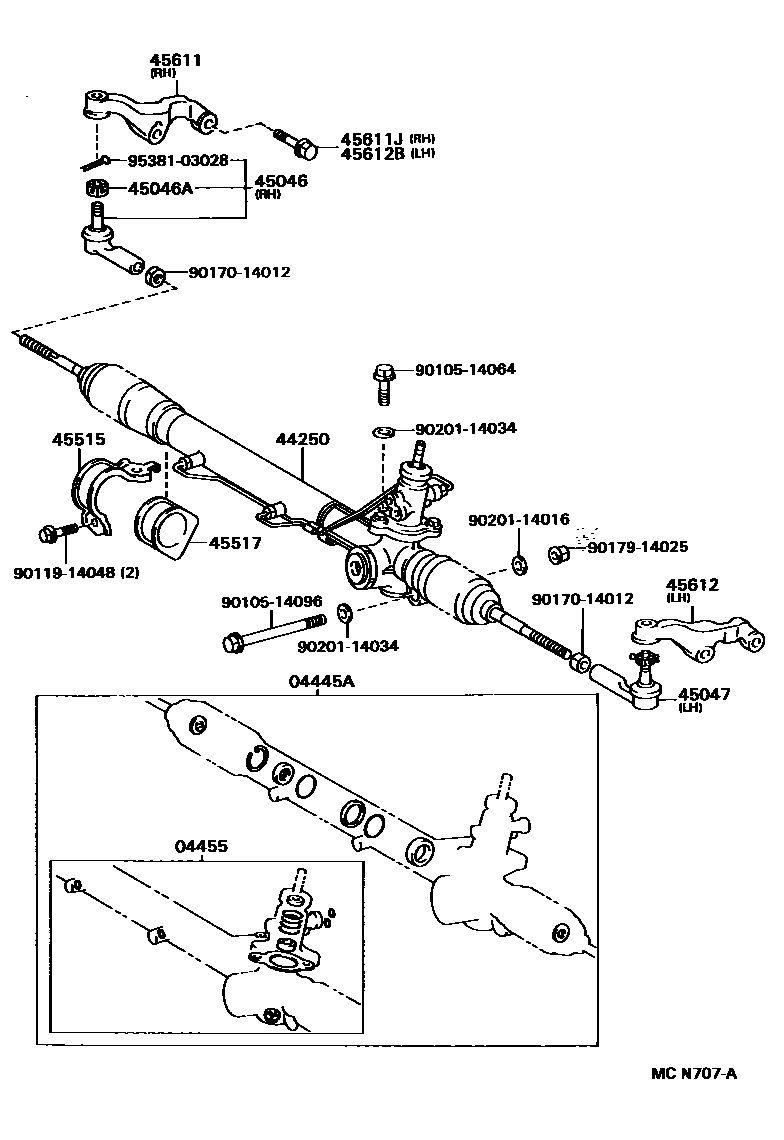
FRONT STEERING GEAR & LINK

04445GASKET KIT, POWER STEERING GEAR(FOR RECIRCULATING BALL)
04445AGASKET KIT, POWER STEERING GEAR(FOR RACK & PINION)
04455GASKET KIT, POWER STEERING CONTROL VALVE OVERHOLE
44250GEAR ASSY, POWER STEERING(FOR RACK & PINION)
45046END SUB-ASSY, TIE ROD, RH
45046ANUT, CASTLE(FOR TIE ROD END)
45047END SUB-ASSY, TIE ROD, LH
45515BRACKET, STEERING RACK HOUSING, NO.2
45517GROMMET, STEERING RACK HOUSING, NO.2
45611ARM, STEERING KNUCKLE, RH
45611JBOLT(FOR STEERING KNUCKLE ARM RH)
45612ARM, STEERING KNUCKLE, LH
45612BBOLT(FOR STEERING KNUCKLE ARM LH)
9010514064
main90105-14064
9010514096
main90105-14096
9011914048
main90119-14048
9017014012
main90170-14012
9017914025
main90179-14025
9020114016
main90201-14016
9020114034
main90201-14034
9538103028
main95381-03028
21 parts on this diagram · 5 diagrams in section