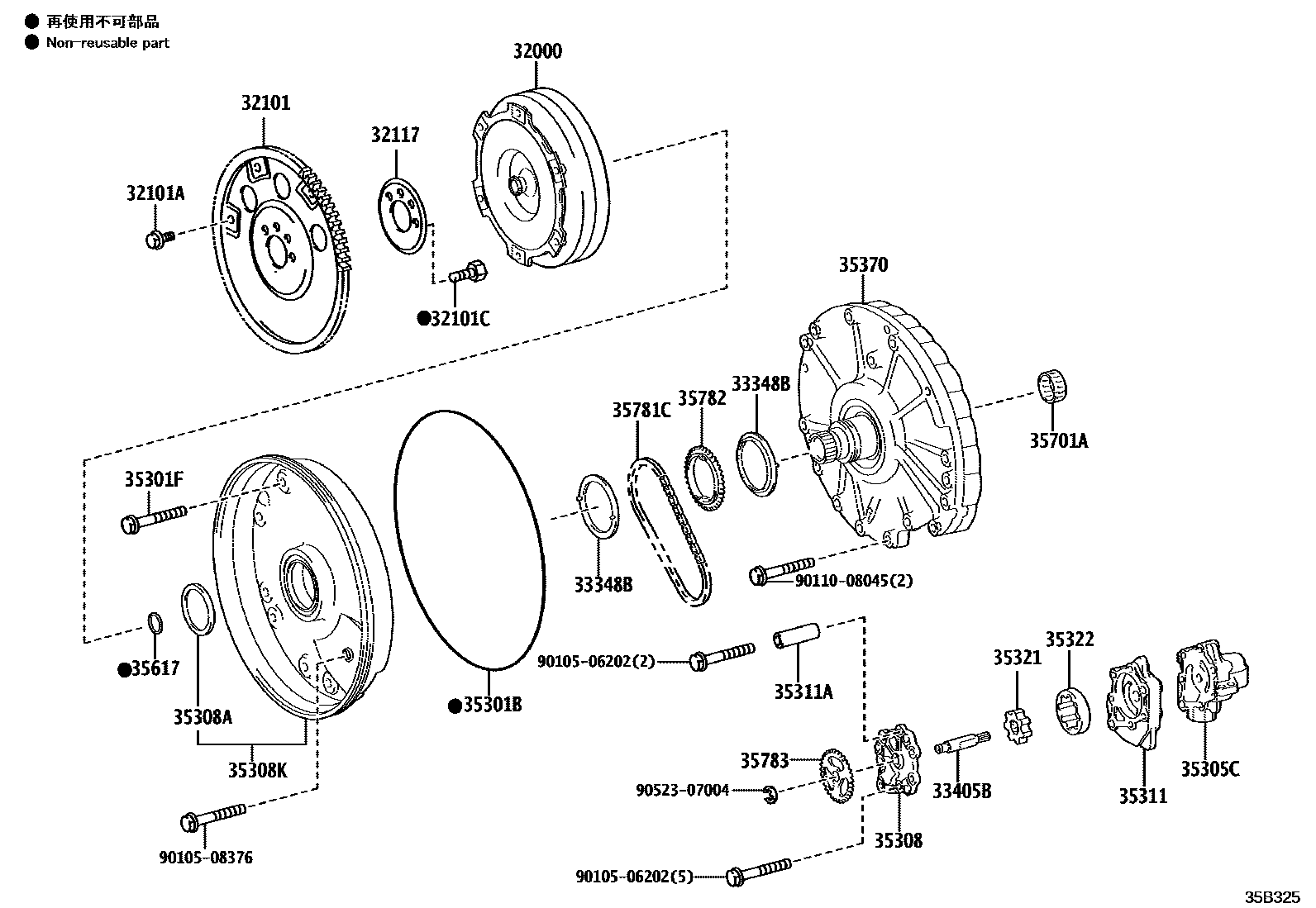
TORQUE CONVERTER, FRONT OIL PUMP & CHAIN (ATM)

32101GEAR SUB-ASSY, DRIVE PLATE & RING
32101ABOLT(FOR DRIVE PLATE & TORQUE CONVERTER SETTING)
*10-1.25PX16-12.9,BLACK
*10-1.25PX16-13,SILVER WHITE
32101CBOLT, HEXAGON(FOR DRIVE PLATE SETTING)
*10-1.25PX23-16,(J)
*10-1.25PX23-16,(L)
32117SPACER, DRIVE PLATE, REAR
33348BWASHER, GEAR THRUST
33405BSHAFT SUB-ASSY, OIL PUMP DRIVE
35301BRING, O (FOR FRONT OIL PUMP BODY)
35301FBOLT (FOR FRONT OIL PUMP SETTING)
*8-1.25PX42-30
35305CCOVER SUB-ASSY, REAR OIL PUMP
35308ASEAL, OIL (FOR FRONT OIL PUMP COVER)
35308KCOVER SUB-ASSY, FRONT OIL PUMP, NO.2
35311BODY, FRONT OIL PUMP
35311APIN, RING
35321GEAR, FRONT OIL PUMP DRIVE
T=13.635-13.640
T=13.638-13.643
T=13.641-13.646
35322GEAR, FRONT OIL PUMP DRIVEN
T=13.635-13.640
T=13.638-13.643
T=13.641-13.646
35370SHAFT ASSY, STATOR
35617RING, CLUTCH DRUM OIL SEAL
35701ABEARING, THRUST (FOR INPUT SHAFT FRONT)
35781CCHAIN, TRANSMISSION DRIVE
35782SPROCKET, DRIVE
35783SPROCKET, DRIVEN
9010506202
main90105-06202
9010508376
main90105-08376
9011008045
main90110-08045
9052307004
main90523-07004
27 parts on this diagram · 2 diagrams in section