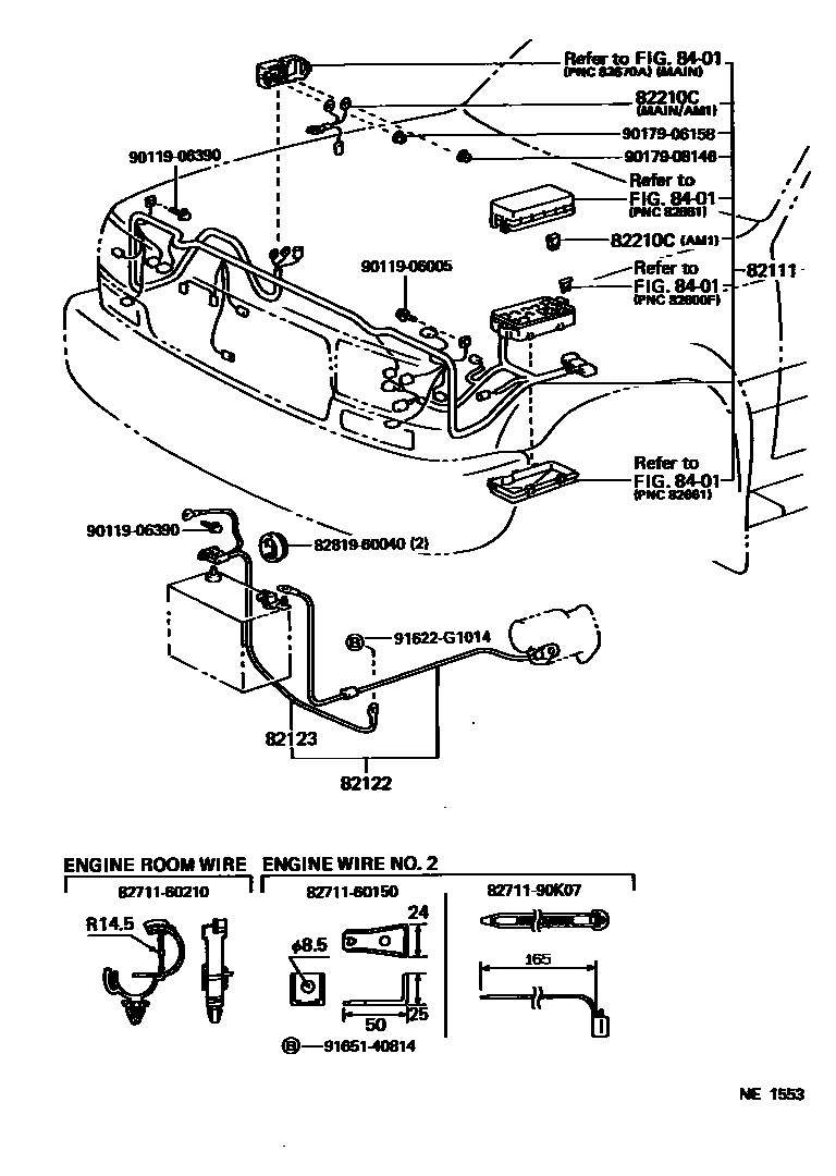
WIRING & CLAMP

82111WIRE, ENGINE ROOM MAIN
CANADA SPEC
82122WIRE, ENGINE, NO.2
W/O COLD SPEC
W/O COLD SPEC
82123WIRE, ENGINE, NO.3
W/O COLD SPEC
W/O COLD SPEC
82210CFUSIBLE LINK
60A,TERM.:FEMALE,YEL
50A,TERM.:FEMALE,RED
L=110,MAIN,GLOW,AM2
8401SWITCH & RELAY & COMPUTER
8271160150WIRE, FUSE TO FUSE(FOR COMBUSTION HEATER)
main82711-60150
8271160210WIRE, FUSE TO FUSE(FOR COMBUSTION HEATER)
main82711-60210
8271190K07WIRE, FUSE TO FUSE(FOR COMBUSTION HEATER)
main82711-90K07
8281960040GROMMET, WIRING HARNESS
main82819-60040
9011906005
main90119-06005
9011906390
main90119-06390
9017906158
main90179-06158
9017908146
main90179-08146
91622G1014
main91622-G1014
9165140814
main91651-40814
15 parts on this diagram · 8 diagrams in section