E
EPC Data

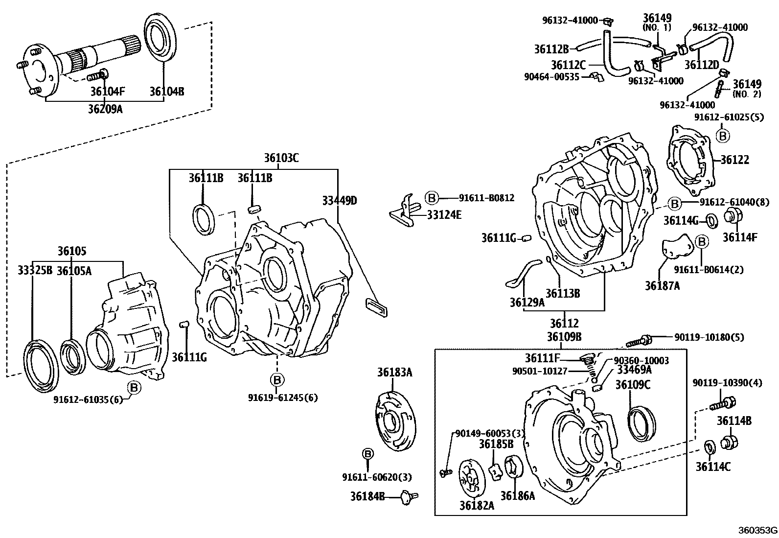
TRANSFER CASE & EXTENSION HOUSING

Parts diagram
33124EPIPE, OIL RECEIVER(FOR TRANSFER)
main33124-60030i199801-200208
33325BDEFLECTOR, DUST (FOR TRANSFER EXTENSION FRONT HOUSING)
main33325-60050i199801-200208
33449DMAGNET (FOR TRANSFER CASE)
main33449-60010i199801-200208
33469ASEAT, RELIEF VALVE (FOR TRANSFER EXTENSION REAR HOUSING)
main33469-60020i199801-200208
36103CCASE, TRANSFER, FRONT
main36103-60290i199801-200208
36104BDEFLECTOR, DUST (FOR TRANSFER OUTPUT SHAFT)
main33325-60040i199801-200208
36104FBOLT (FOR TRANSFER OUTPUT SHAFT COMPANION FLANGE)
main90114-10061×4i199801-200208
36105HOUSING SUB-ASSY, TRANSFER EXTENSION, FRONT
main36105-60010i199801-200208
36105ASEAL, OIL (TRANSFER EXTENSION FRONT HOUSING SUB-ASSY)
main90311-50014i199801-200208
36109BHOUSING SUB-ASSY, TRANSFER EXTENSION, REAR
main36109-60060i199801-200104
main36109-60061i200104-200208
36109CSEAL, OIL (TRANSFER EXTENSION REAR HOUSING SUB-ASSY)
main90311-58008i199801-200104
main90311-58011i200208-200505
36111BSEAL, OIL (FOR TRANSFER CASE)
main90310-16001i199801-200208
LEVER SIDE
main90311-48018i199801-200208
SHAFT SIDE
main90311-48025i200501-200505
SHAFT SIDE
36111FPLUG (FOR TRANSFER CASE)
main90341-18039i200208-200505
36111GPIN, STRAIGHT (FOR TRANSFER CASE)
main90250-12002×6i199801-200208
L=16,OD=12
36112CASE, TRANSFER, REAR
main36104-60020i199801-200208
36112BHOSE, NO.1 (FOR TRANSFER REAR CASE)
main90447-08151i199801-200208
main90447-08171i200208-200505
36112CHOSE, NO.2 (FOR TRANSFER REAR CASE)
main36477-60030i200308-200504
L=775
main36477-60031i200505
main90445-11137i199801-200208
main90447-11050i200208-200308
L=725
36112DHOSE, NO.3 (FOR TRANSFER REAR CASE)
main36477-60010i200208-200505
main90445-11138i199801-200208
36113BRING, O (FOR TRANSFER CASE PLUG)
main90301-07012i200505
ID=6.0
36114BPLUG, NO.1 (FOR TRANSFER CASE)
main90341-18006i199801-200208
36114CGASKET, NO.1 (FOR TRANSFER CASE)
main90430-18008i199801-200208
36114FPLUG (FOR TRANSFER DRAIN)
main90341-18057i199801-200208
36114GGASKET (FOR TRANSFER DRAIN PLUG)
main90430-18008i199801-200208
36122COVER, TRANSFER CASE, NO.2
main36122-36010i199801-200208
36129ATUBE, TRANSFER OIL
main36129-60030i199801-200208
36149PIPE, TRANSFER BREATHER
main36149-60010i199801-200208
NO.1
main36149-60030i199801-200208
NO.2
main36149-60050i200208-200505
NO.1
36182ACOVER, TRANSFER OIL PUMP
main36182-60011i199801-200208
36183APLATE, TRANSFER OIL PUMP
main36183-60012i199801-200208
36184BSHAFT, TRANSFER OIL PUMP DRIVE
main36184-60060i199801-200208
36185BROTOR, TRANSFER OIL PUMP DRIVE
main36185-60030i199801-200208
36186AROTOR, TRANSFER OIL PUMP DRIVEN
main36186-60010i199801-200208
36187ASTRAINR, TRANSFER OIL, NO.1
main36187-60010i199801-200208
36209ASHAFT, TRANSFER OUTPUT, FRONT
main36209-60020i199801-200208
9011910180
9011910390
9014960053
9036010003
9046400535
9050110127
9161160620
91611B0614
91611B0812
9161261025
9161261035
9161261040
9161961245
9613241000

47 parts on this diagram · 1 diagram in section

TRANSFER CASE & EXTENSION HOUSING — Toyota Parts Diagram with OEM Numbers & Prices | EPC Data