E
EPC Data

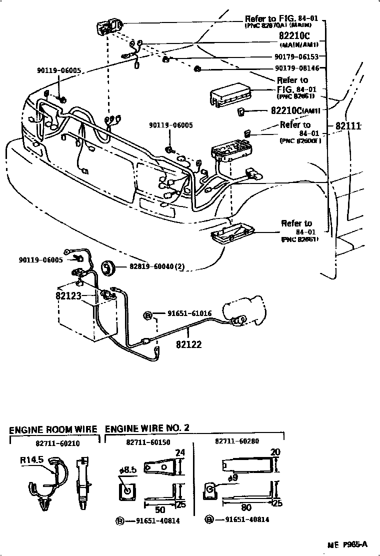
WIRING & CLAMP

Parts diagram
82111WIRE, ENGINE ROOM MAIN
main82111-60070i199001-199005
main82111-60071i199005-199208
main82111-60220i199001-199201
W(12V 90A ALTERNATOR)
main82111-60320i199208-199308
main82111-60322i199308-199501
main82111-60323i199501-199801
main82111-60840i199701-199704
40TH ANNIVERSARY EDITION
82122WIRE, ENGINE, NO.2
main82122-60010i199001-199208
W/O(COLD SPEC)
main82122-60020i199001-199208
main82122-60181i199208-199608
W/O(COLD SPEC)
main82122-60182i199608-199801
W/O(COLD SPEC)
main82122-60191i199208-199608
main82122-60192i199608-199801
82123WIRE, ENGINE, NO.3
main82123-60010i199001-199208
W/O(COLD SPEC)
main82123-60020i199001-199208
main82123-60120i199208-199608
W/O(COLD SPEC)
main82123-60121i199608-199801
W/O(COLD SPEC)
main82123-60130i199208-199608
main82123-60131i199608-199801
82210CFUSIBLE LINK
main90982-08190i199208-199801
60A,TERM.:FEMALE,YEL
main90982-08227i199001-199501
50A,TERM.:FEMALE,RED,AM1(RELAY BLOCK)
main90982-08264i199208-199801
L=110,MAIN,GLOW,AM2
8401SWITCH & RELAY & COMPUTER
8271160150WIRE, FUSE TO FUSE(FOR COMBUSTION HEATER)
8271160210WIRE, FUSE TO FUSE(FOR COMBUSTION HEATER)
8271160280WIRE, FUSE TO FUSE(FOR COMBUSTION HEATER)
8281960040GROMMET, WIRING HARNESS
9011906005
9017906153
9017908146
9165140814
9165161016

14 parts on this diagram · 11 diagrams in section

WIRING & CLAMP — Toyota Parts Diagram with OEM Numbers & Prices | EPC Data