E
EPC Data

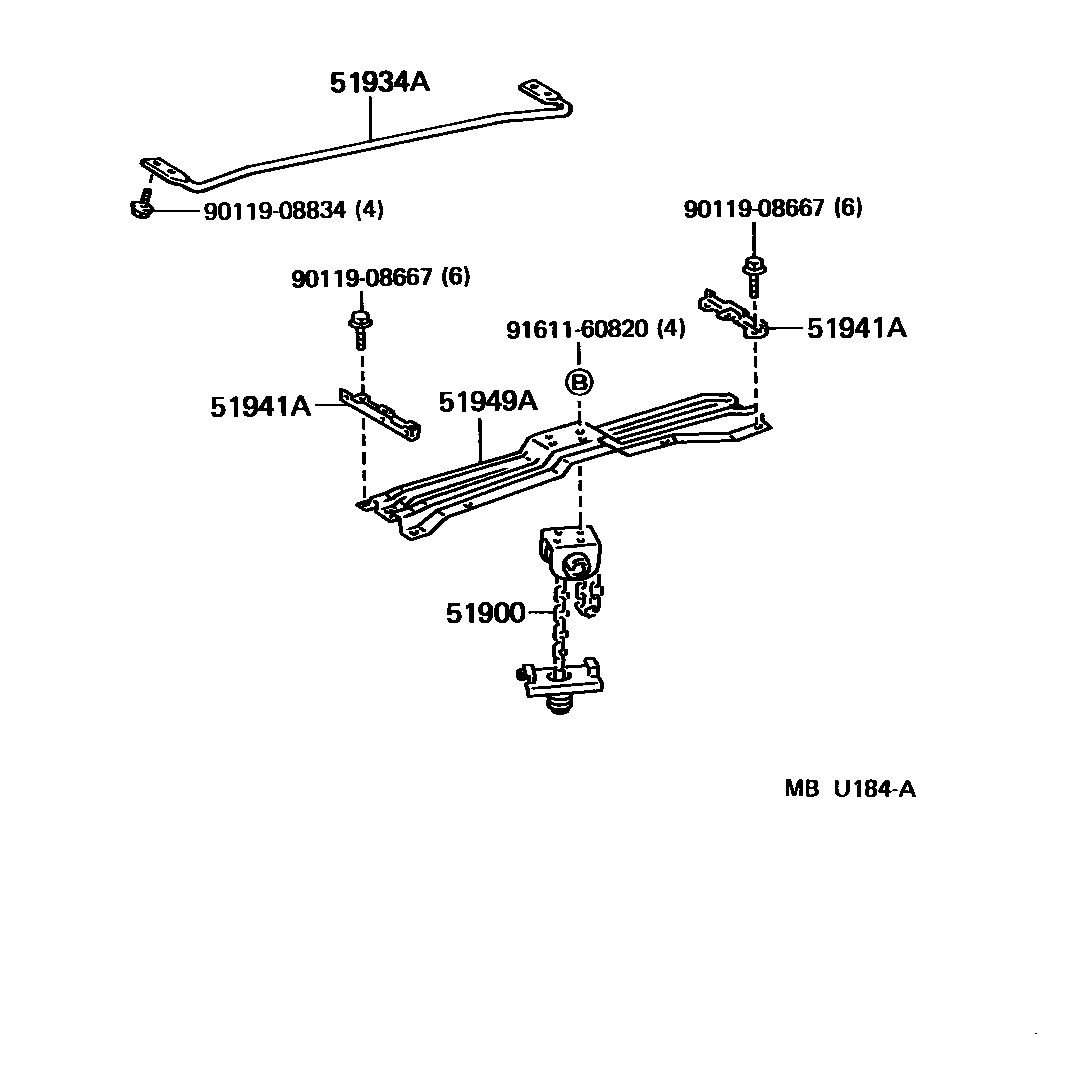
SPARE WHEEL CARRIER

Parts diagram
51900CARRIER ASSY, SPARE WHEEL
main51900-60120i199001-199208
W(ALUMINUM WHEEL)
main51900-60140i199001-199501
main51900-60170i199501-199504
main51900-60171i199504-199801
51934ASTOPPER, SPARE WHEEL, NO.2
main51934-60060i199107-199601
51941ABRACKET, SPARE WHEEL CARRIER
main51943-60040i199001-199801
RH
main51944-60020i199001-199801
LH
51949ACROSSMEMBER, SPARE WHEEL CARRIER
main51949-60010i199001-199801
9011908667
9011908834
9161160820

7 parts on this diagram · 1 diagram in section

SPARE WHEEL CARRIER — Toyota Parts Diagram with OEM Numbers & Prices | EPC Data