E
EPC Data

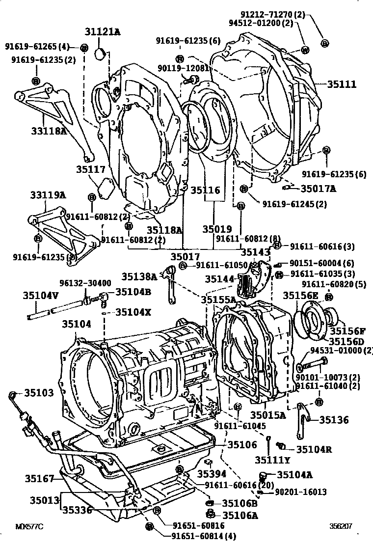
TRANSMISSION CASE & OIL PAN (ATM)

Parts diagram
31121ACOVER, TRANSMISSION HOUSING ADAPTER
main31121-60030i199001-199208
33118APLATE, STIFFENER, RH(ATM)
main33118-60020i199001-199208
33119APLATE, STIFFENER, LH(ATM)
main33119-60020i199001-199208
35013TUBE SUB-ASSY, TRANSMISSION OIL FILLER
main35013-60050i199001-199208
main35013-60100i199208-199501
main35013-60130i199501-199801
35015AADAPTER SUB-ASSY, TRANSMISSION CASE, REAR
main35015-60020i199001-199208
main35015-60050i199208-199501
main35015-60070i199501-199801
35017ADAPTER SUB-ASSY, TRANSMISSION HOUSING, FRONT
main35017-60020i199001-199208
35017APIN, STRAIGHT(FOR TRANSMISSION HOUSING ADAPTER, FRONT)
main90250-10192×2i199001-199208
35019COVER SUB-ASSY, TRANSMISSION CASE DUST
main35019-60010i199001-199208
35103GAGE SUB-ASSY, TRANSMISSION OIL LEVEL
main35103-60040i199001-199208
main35103-60070i199208-199501
main35103-60090i199501-199601
main35103-60100i199601-199603
main35103-60101i199603-199801
35104CASE SUB-ASSY, AUTOMATIC TRANSMISSION
main35104-28040i199501-199801
main35104-60030i199001-199104
main35104-60031i199104-199208
main35104-60050i199001-199104
W(CRUISE CONTROL)
main35104-60051i199104-199208
W(CRUISE CONTROL)
main35104-60080i199208-199501
35104APLUG, AUTOMATIC TRANSMISSION CASE
main90341-08001×2i199501-199801
main90341-16010i199208-199501
35104BPLUG, BREATHER, NO.1 (ATM)
main90930-03094i199001-199501
main90930-03098i199501-199801
35104RPLUG, NO.2 (FOR TRANSAXLE CASE)
main90341-08001×7i199208-199501
35104VHOSE (FOR BREATHER PLUG)
main90445-11072i199001-199208
main90445-11114i199208-199501
main90445-11125i199501-199801
35104XRING, O (FOR BREATHER PLUG)
main90301-06005i199208-199501
35106PAN SUB-ASSY, AUTOMATIC TRANSMISSION OIL
main35106-60030i199208-199501
main35106-60080i199001-199207
main35106-60090i199207-199208
main35106-60100i199501-199801
35106APLUG SUB-ASSY, DRAIN (ATM)
main90341-10006i199501-199801
main90341-18057i199001-199208
35106BGASKET, DRAIN PLUG (ATM)
main12157-10010i199001-199501
main35178-30010i199501-199801
35111HOUSING, AUTOMATIC TRANSMISSION
main35111-60050i199001-199208
main35111-60070i199208-199407
main35111-60071i199407-199501
main35111-60090i199501-199801
35111YRING, O (FOR AUTOMATIC TRANSMISSION CASE)
main90301-06196×7i199001-199208
35116SEAL, TRANSMISSION CASE DUST
main35116-60010i199001-199208
35117COVER, ADAPTER, NO.1
main35117-60010i199001-199208
35118ACOVER, ADAPTER, NO.2
main35118-60010i199001-199208
35136HANGER, TRANSMISSION,NO.1
main35136-60020i199001-199501
main35136-60050i199501-199801
35138AHANGER, TRANSMISSION, NO.2
main35136-60020i199001-199501
35143COVER, TRANSMISSION CASE, REAR
main35143-36010i199001-199407
main35143-36011i199407-199501
35144GASKET, TRANSMISSION CASE REAR COVER
main35144-36010i199001-199208
main35144-60010i199208-199407
main35144-60011i199407-199501
35155AGASKET, TRANSMISSION CASE ADAPTER
main35182-36010i199001-199208
main35182-60010i199208-199501
35156DCOVER, TRANSMISSION CASE REAR ADAPTER
main35156-60010i199001-199501
35156ERING, O(FOR TRANSMISSION CASE REAR ADAPTER COVER)
main90301-81005i199001-199208
35156FSEAL, OIL(FOR TRANSMISSION CASE REAR ADAPTER COVER)
main90311-48016i199001-199208
35167PROTECTOR, TRANSMISSION OIL PAL
main35167-60020i199001-199207
main35167-60030i199207-199302
35336RING, O (FOR TRANSMISSION OIL FILLER TUBE)
main90301-09173i199001-199801
35394MAGNET, OIL CLEANER (FOR TRANSMISSION)
main35394-30011×2i199001-199208
9010110073
9011912081
9015160004
9020116013
9121271270
9161160616
9161160812
9161160820
9161161035
9161161040
9161161045
9161161050
9161961235
9161961245
9161961265
9165160814
9165160816
9451201200
9453101000
9613230400

54 parts on this diagram · 3 diagrams in section

TRANSMISSION CASE & OIL PAN (ATM) — Toyota Parts Diagram with OEM Numbers & Prices | EPC Data