E
EPC Data

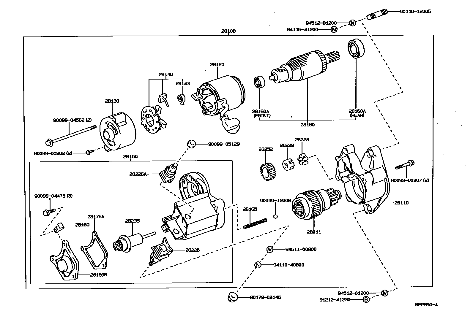
STARTER

Parts diagram
28011CLUTCH SUB-ASSY, STARTER
main28011-26042i199001-199208
12V 1.0KW
main28011-66020i199208-199801
12V 1.4KW
main28011-66030i199208-199308
main28011-66060i199308-199801
12V 2.0KW
28100STARTER ASSY
main28100-60070i199001-199208
12V 1.0KW
main28100-66040i199208-199801
12V 1.4KW
main28100-66050i199208-199308
12V 2.2KW
main28100-66060i199308-199801
12V 2.0KW
28110HOUSING ASSY, STARTER DRIVE
main28110-60070i199001-199208
12V 1.0KW
main28110-66060i199308-199801
main28115-66030i199208-199308
28120YOKE ASSY, STARTER
main28120-26071i199001-199208
12V 1.0KW
main28120-54380i199308-199801
12V 2.0KW
main28120-64040i199208-199308
main28120-66040i199306-199801
12V 1.4KW
main28120-74070i199208-199306
12V 1.4KW
28130FRAME ASSY, STARTER COMMUTATOR END
main28130-34060i199001-199208
12V 1.0KW
main28130-66060i199308-199801
28140HOLDER ASSY, STARTER BRUSH
main28140-26070i199001-199208
12V 1.0KW
main28140-35060i199208-199306
12V 1.4KW
main28140-54380i199308-199801
12V 2.0KW
main28140-66030i199208-199308
main28140-76070i199306-199801
12V 1.4KW
28143SPRING, STARTER BRUSH
main28143-54380×4i199308-199801
main90099-17112×4i199001-199208
main90099-17115×4i199208-199308
28150SWITCH ASSY, MAGNET STARTER
main28150-34080i199001-199208
12V 1.0KW
main28150-66040i199208-199306
12V 1.4KW
main28150-66041i199306-199801
12V 1.4KW
main28150-66050i199208-199308
main28150-66060i199308-199801
12V 2.0KW
28159BCOVER, MAGNET SWITCH
main28159-10040i199208-199308
main28159-54380i199308-199801
28160ARMATURE ASSY, STARTER
main28160-26071i199001-199208
12V 1.0KW
main28160-64041i199208-199308
main28160-74070i199208-199801
12V 1.4KW
main28160-75120i199308-199801
12V 2.0KW
28160ABEARING, STARTER ARMATURE
main28253-45020i199001-199208
FRONT
main28253-54070i199208-199308
FRONT
main90099-10113i199001-199208
REAR
main90099-10143i199208-199308
REAR
main90099-10197i199308-199801
REAR
main90099-10208i199308-199801
FRONT
28165SPRING, STARTER MAGNET SWITCH RETURN
main28165-26040i199001-199208
main28165-76070i199308-199801
28169CLAMP, STARTER MOTOR LEAD WIRE
main28169-10040i199001-199208
main28169-54380i199308-199801
28175AGASKET, MAGNET SWITCH COVER
main28175-10040i199208-199308
main28175-54380i199308-199801
28226STARTER KIT, BATTERY TERMINAL
main28226-66060i199308-199801
main28226-72080i199001-199208
main28226-76100i199208-199308
28226ASTARTER KIT, MOTOR TERMINAL
main28226-72010i199001-199208
28228ROLLER, STARTER IDLE GEAR CLUTCH
main28228-26040×5i199001-199208
28229RETAINER, STARTER IDLE GEAR
main28229-26040i199208-199308
main28229-74070i199308-199801
28235PLUNGER, MAGNET SWITCH
main28235-35080i199001-199208
main28235-54380i199308-199801
28252GEAR, STARTER IDLE
main28254-45020i199001-199208
main28254-64040i199208-199308
main28254-64130i199308-199801
9009900902
9009900907
9009904473
9009904562
9009905129
9009912009
9011612005
9017908146
9121241230
9411040800
9411541200
9451100800
9451201200

33 parts on this diagram · 4 diagrams in section

STARTER — Toyota Parts Diagram with OEM Numbers & Prices | EPC Data