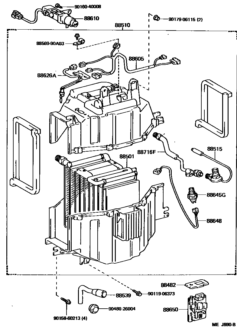
HEATING & AIR CONDITIONING - COOLER UNIT

88482CAP, COOLER
88501EVAPORATOR SUB-ASSY, COOLER, NO.1
88510UNIT ASSY, COOLER
88515VALVE, COOLER EXPANSION
88539HOSE, COOLER UNIT DRAIN, NO.1
88605HARNESS SUB-ASSY, COOLER WIRING, NO.1
88610SWITCH ASSY, COOLER CONTROL
88626AHOLDER, THERMISTOR
88645GSWITCH, PRESSURE
88648WIRING, COOLER, NO.1
88650AMPLIFIER ASSY, COOLER STABILIZER
88716FPIPE, COOLER REFRIGERANT LIQUID, F
8856990A03CLAMP (FOR COOLER RELAY)
main88569-90A03
9011906373
main90119-06373
9015960213
main90159-60213
9016040008
main90160-40008
9017906115
main90179-06115
9048026004
main90480-26004
18 parts on this diagram · 1 diagram in section