E
EPC Data

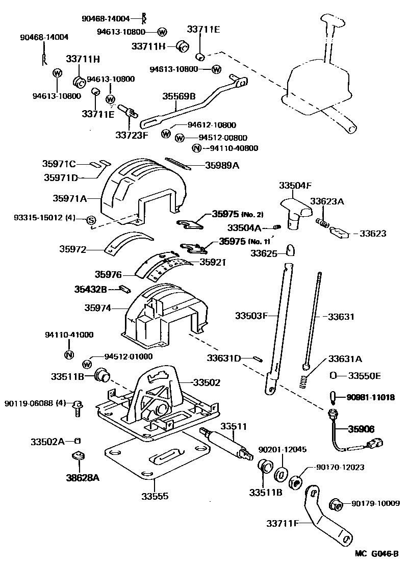
SHIFT LEVER & RETAINER

Parts diagram
33502PLATE SUB-ASSY, SHIFT LEVER
main33502-60040i198708-199001
33502ACOLLAR (FOR FLOOR SHIFT SETTING)
main90387-06065×4i198708-199001
OD=8.8
33503FLEVER SUB-ASSY, SHIFT(FOR FLOOR SHIFT)
main33503-60020i198708-199001
33504ABOLT OR PIN (FOR SHIFT LEVER KNOB SETTING)
main90113-05034×2i198708-199001
33504FKNOB SUB-ASSY, SHIFT LEVER
main33542-30110-01i198708-199001
BLACK,TRIM1#
main33542-30110-36i198708-199001
SEPIA BROWN,TRIM4#
33511SHAFT, CONTROL (FOR FLOOR SHIFT)
main33511-60060i198708-199001
33511BBUSH (FOR CONTROL SHAFT)
main90385-16008×2i198708-199001
33550ECAP, POSITION INDICATOR LAMP
main90339-04014i198708-199001
33555BOOT, SHIFT LEVER
main33555-60040i198708-199001
33623BUTTON, SHIFT LEVER KNOB
main33623-30040-56i198708-199001
BROWN,TRIM4#
33623ASPRING, COMPRESSION (FOR SHIFT LEVER KNOB BUTTON)
main90501-07009i198708-199001
33625SLEEVE, SHIFT LEVER KNOB
main33625-22020i198708-199001
33631ROD, DETENT
main33631-60020i198708-199001
33631ASPRING, COMPRESSION (FOR DETENT ROD)
main90501-07005i198708-199001
33631DPIN, GROOVED (FOR DETENT ROD)
main90256-04001i198708-199001
33711EBUSH (FOR CONTROL SHAFT LEVER)
main90389-08005×2i198708-199001
33711FLEVER, CONTROL SHAFT (FOR FLOOR SHIFT)
main33711-60040i198708-199001
33711HGROMMET (FOR CONTROL SHAFT LEVER)
main90480-17177×2i198708-199001
33723FSWIVEL, CONNECTING ROD (FOR FLOOR SHIFT)
main33723-22010i198708-199001
35432BPLATE, POSITION INDICATOR (FOR FLOOR SHIFT)
main35432-60040i198708-199001
35569BROD, TRANSMISSION CONTROL (FOR FLOOR SHIFT)
main35569-60040i198708-199001
35906WIRE SUB-ASSY, INDICATOR LAMP
main35906-60050i198708-199001
35921PLATE, CONTROL POSITION INDICATOR
main35921-60030i198708-199001
35971AHOUSING, POSITION INDICATOR, UPPER
main35971-60030i198708-199001
35971CLENS, PARKING BRAKE WARNING LAMP
main55499-60010i198708-199001
35971DLENS, CONSOLE END PANEL LAMP
main58936-60010i198708-199001
35972COVER, POSITION INDICATOR HOUSING
main35972-60020i198708-199001
35974HOUSING, POSITION INDICATOR, LOWER
main35974-60030i198708-199001
35975COVER, SLIDE (FOR POSITION INDICATOR)
main35975-60020i198708-199001
NO.1
main35975-60030i198708-199001
NO.2
35976COVER, SLIDE, NO.2 (FOR POSITION INDICATOR)
main35976-60020i198708-199001
35989APLATE, TRANSMISSION NAME
main35989-60020i198708-199001
38628AGROMET (FOR SHIFT LEVER PLATE)
main38628-60010×4i198708-199001
9011906088
9017012023
9017910009
9020112045
9046814004
9098111018
9331515012
9411040800
9411041000
9451200800
9451201000
9461210800
9461310800

45 parts on this diagram · 1 diagram in section

SHIFT LEVER & RETAINER — Toyota Parts Diagram with OEM Numbers & Prices | EPC Data