E
EPC Data

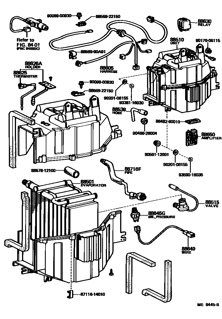
HEATING & AIR CONDITIONING - COOLER UNIT

Parts diagram
8401SWITCH & RELAY & COMPUTER
88501EVAPORATOR SUB-ASSY, COOLER, NO.1
main88501-90A01i198008-198504
main88501-90A03i198411-198604
main88501-90A07i198604-198708
88510UNIT ASSY, COOLER
main88510-90A01i198008-198504
main88510-90A04i198504-198708
main88510-90A13i198411-198510
88515VALVE, COOLER EXPANSION
main88515-20040i198008-198510
main88515-87004i198510-198708
88539HOSE, COOLER UNIT DRAIN, NO.1
main88539-90A00i198008-198708
88605HARNESS SUB-ASSY, COOLER WIRING, NO.1
main88605-90A01i198008-198504
main88605-90A09i198504-198708
88625THERMISTOR, COOLER, NO.1
main88625-90A00i198008-198504
88626AHOLDER, THERMISTOR
main88626-90A01i198411-198708
88630RELAY ASSY, COOLER
main85913-90A01i198008-198504
88645GSWITCH, PRESSURE
main88645-10020i198411-198708
main88645-22020i198008-198508
main88645-30250i198508-198708
88649WIRING, COOLER, NO.2
main88648-90A00i198008-198708
88650AMPLIFIER ASSY, COOLER STABILIZER
main88650-60020i198008-198504
main88650-90A02i198504-198708
main88650-90A03i198411-198510
main88650-90A04i198510-198708
88716FPIPE, COOLER REFRIGERANT LIQUID, F
main88716-90A05i198008-198411
main88716-90A27i198411-198708
8711614010SPRING, HEATER CASE FASTENING
8848260010CAP, COOLER
8856922150CLAMP (FOR COOLER RELAY)
8856990A01CLAMP (FOR COOLER RELAY)
8857812100PAKING, COOLER AIR DUCT
9009900930
9017906115
9020106155
9048026004
9056112001
9338116030
9359016035

25 parts on this diagram · 2 diagrams in section

HEATING & AIR CONDITIONING - COOLER UNIT — Toyota Parts Diagram with OEM Numbers & Prices | EPC Data