E
EPC Data

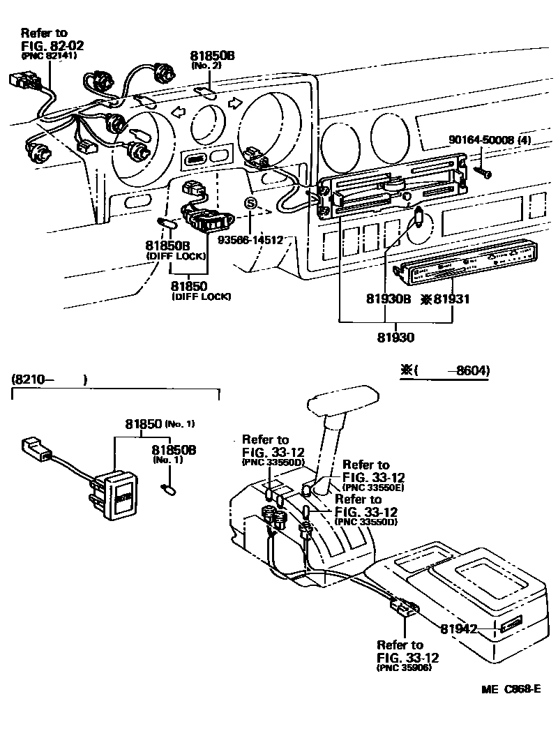
INDICATOR

Parts diagram
3312SHIFT LEVER & RETAINER
81850LAMP ASSY, INDICATOR
main81850-90A02i198210-198510
NO.1
main81850-90A03i198510-198708
NO.1
main81850-90A09i198608-198708
DIFF LOCK
81850BBULB, INDICATOR LAMP
main90981-11018i198608-198708
12V 1.2W W/O SOCKET,DIFF LOCK,12V 1.4W
main90981-11022i198510-198708
24V 1.4W,NO.1,24V 1.4W
main99132-12034×6i198008-198708
12V 3.4W,NO.2,12V 3.4W
main99134-12030×5i198510-198708
24V 3W,NO.2,24V 3W
81930LAMP ASSY, HEATER CONTROL INDICATOR, NO.1
main81930-90A02i198008-198604
main81930-90A06i198510-198708
81930BBULB, HEATER CONTROL INDICATOR LAMP
main90981-11010i198008-198708
12V 2W,12V 2W
81931LENS, HEATER CONTROL INDICATOR
main81931-90A02i198008-198604
81942SHEET, HEATER CONTROL NAME
main86995-90A02i198510-198708
8202WIRING & CLAMP
9016450008
9356614512

10 parts on this diagram · 1 diagram in section

INDICATOR — Toyota Parts Diagram with OEM Numbers & Prices | EPC Data